EasyManua.ls Logo

Keyscan CA8500B - Figure 74 - Single ACU Communication - USB Adaptor

Default Icon
142 pages
Print Icon
To Next Page IconTo Next Page
To Next Page IconTo Next Page
To Previous Page IconTo Previous Page
To Previous Page IconTo Previous Page
Loading...
Keyscan Inc. Technical Guide (PC109x - 07.15)
101
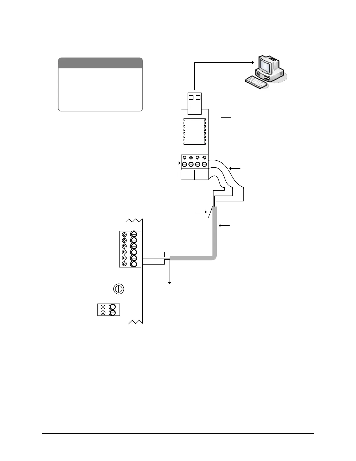
Figure 74 Single ACU Communication - USB Adaptor
PC with
Communication
Manager
- USB Adaptor (USB-SER)
- RS-232 Data Cable
- Control Board
- PC (requires USB port)
- USB extension cable optional
BRNWHTGRN WHT
+ TX - + RX -
485 OUT 485 IN
To USB port on PC
(may require USB
extender cable)
485 terminal
block not used
use 3 loose
RS-232 wires
tape
back
shield
Note
USB communication is slower
than direct serial or NETCOM
communication.
Do not connect USB adaptor to
modem.
RS-232
22 AWG shielded cable
Maximum - 100 ft (30 M)
Green
Black
Red
Unused conductors are
taped back separately.
Unused conductors are
taped back separately.
GND
RS-232 (COM4)
Control Board
(PC 109x)
Green
Black
TD
RD
DCD
DTR
CTS
Red
To ground lug
Shield*
IOCB (COM1)
RX
TX
Parts List
KI-00156E-04-13
* Insulate shield with PVC tubing such as
Alpha (p/n PVC10516 16 AWG) or
comparable insulator.
Ensure S2
DIP switches 7 & 8
are OFF

Table of Contents

Other manuals for Keyscan CA8500B

Related product manuals