EasyManua.ls Logo

Keyscan CA8500B - Typical Door Layout and Hardware

Default Icon
142 pages
Print Icon
To Next Page IconTo Next Page
To Next Page IconTo Next Page
To Previous Page IconTo Previous Page
To Previous Page IconTo Previous Page
Loading...
Keyscan Inc. Technical Guide (PC109x - 07.15)
27
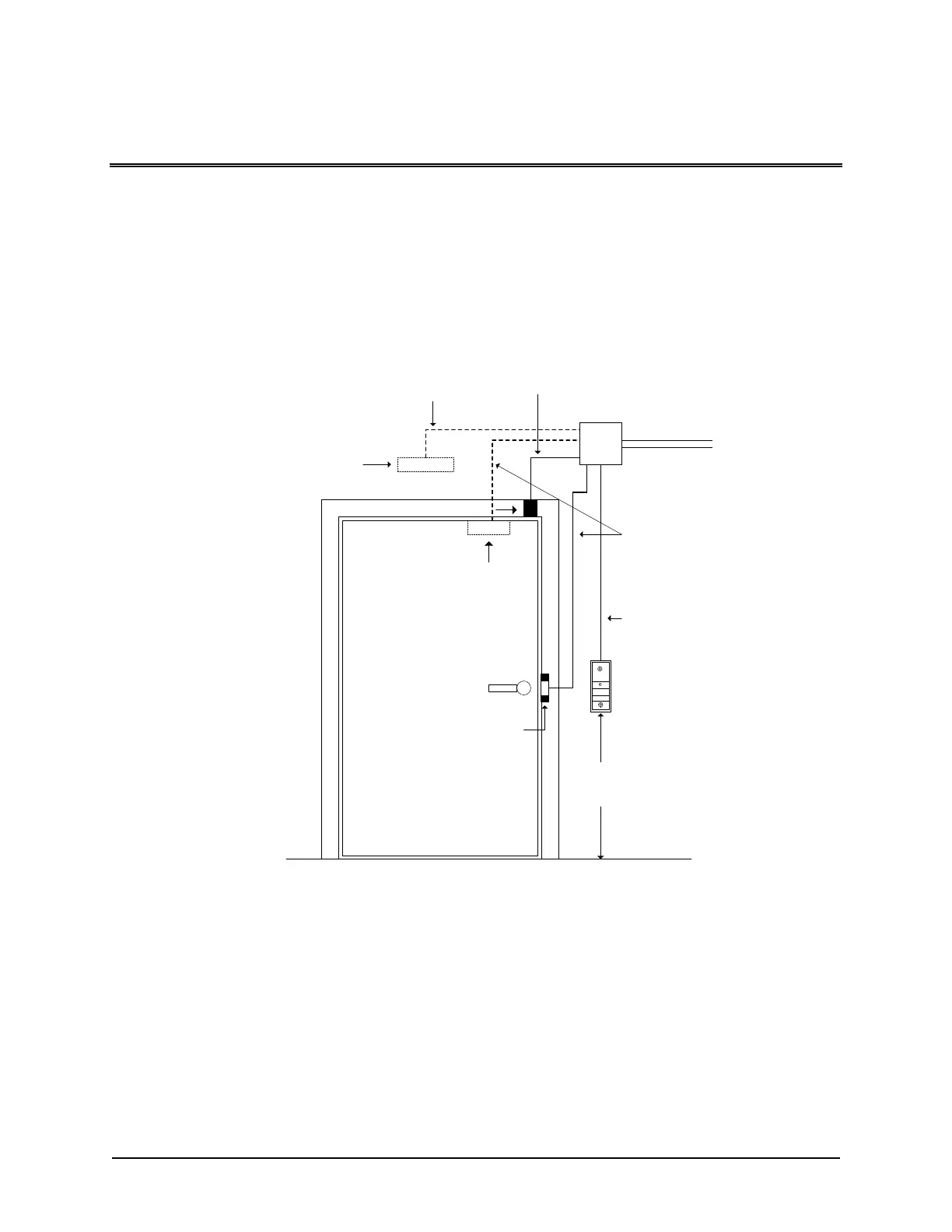
Typical Door Layout and Hardware
The following sub-sections review door components with related diagrams. Refer to the lock manufacturer's
documentation for more detailed information on mounting door hardware. Some jurisdictions require a
qualified locksmith for installation of lock hardware. Consult with local authorities.
The following diagram shows a single conduit to the access control unit. For high-voltage readers greater than
150 mA, avoid running the communication cables in the same conduit with the door lock cables.
Figure 15 Typical Door Layout
3/4" conduit
to ACU
Junction
box
Reader
Request
to exit
PIR
36" to 48"
(91.4 to 121.9 cm)
Door contact
6 conductors shielded
22 or 18 AWG
2 pairs
22 AWG
1 pair 18 AWG
Mag Lock
Door
Strike
1 pair
22 AWG
PIR requires 3 pairs if
connecting to external
sound alert device.
KEYSCAN
KI-00119E-07-11

Table of Contents

Other manuals for Keyscan CA8500B

Related product manuals