EasyManua.ls Logo

Kinco CD620 - Page 92

Kinco CD620
133 pages
Print Icon
To Next Page IconTo Next Page
To Next Page IconTo Next Page
To Previous Page IconTo Previous Page
To Previous Page IconTo Previous Page
Loading...
92
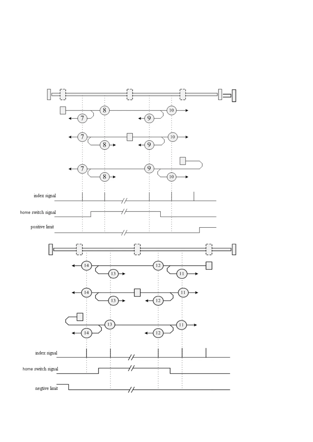
Using methods 7 to 10, the initial direction of movement is to the right, and using
methods 11 to 14, the initial direction of movement is to the left, except if the home
switch is active at the start of motion. In this case, the initial direction of motion is
dependent on the edge being sought. The home position is at the index pulse on either
side of the rising or falling edges of the home switch, as shown in the following two
diagrams. If the initial direction of movement leads away from the home switch, the
drive must reverse on encountering the relevant limit switch.
Methods 15 and 16: Reserved

Table of Contents

Other manuals for Kinco CD620

Related product manuals