EasyManua.ls Logo

Kirsch LABEX 105 PRO-ACTIVE - Installation Drawing

Kirsch LABEX 105 PRO-ACTIVE
75 pages
Print Icon
To Next Page IconTo Next Page
To Next Page IconTo Next Page
To Previous Page IconTo Previous Page
To Previous Page IconTo Previous Page
Loading...
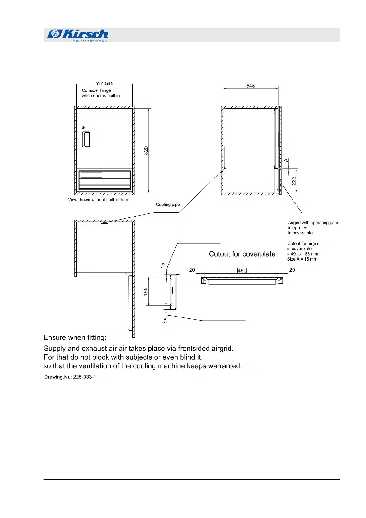
13.3 Installation drawing
Fig. 11: Installation drawing for LABEX® 105 PRO-ACTIVE
Appendix
Installation drawing
27.05.2021 Refrigerator/freezer LABEX® series 73

Table of Contents

Related product manuals