EasyManua.ls Logo

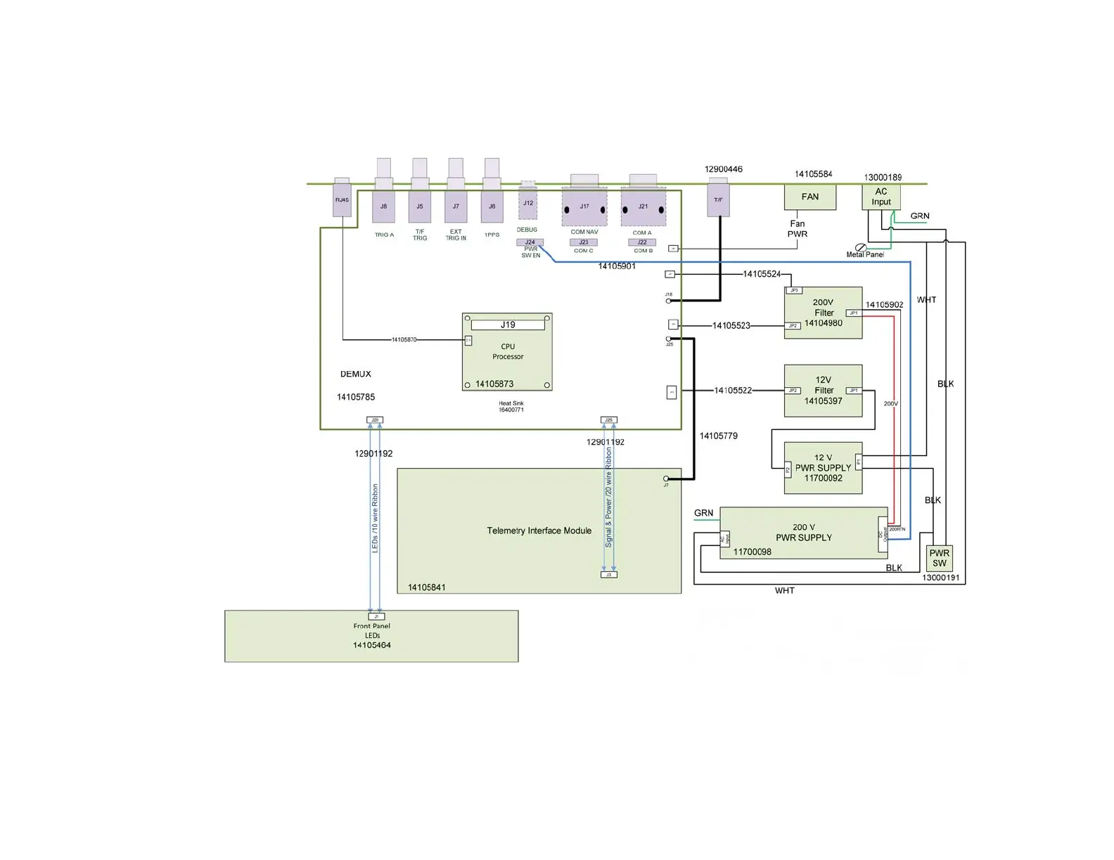
Klein 5000 V2 Series - Figure 5-3: the Series 5000 V2 Sonar System TPU Electronics Block Diagram

Klein 5000 V2 Series
112 pages
Print Icon
To Next Page IconTo Next Page
To Next Page IconTo Next Page
To Previous Page IconTo Previous Page
To Previous Page IconTo Previous Page
Loading...
5-6 CHAPTER 5 Technical Description
Series 5000 V2 Sonar System Operations and Maintenance Manual P/N 11214512, Rev. 04
Figure 5-3: The Series 5000 V2 Sonar System TPU Electronics Block Diagram

Table of Contents

Related product manuals