EasyManua.ls Logo

Klein 5000 V2 Series - Page 94

Klein 5000 V2 Series
112 pages
Print Icon
To Next Page IconTo Next Page
To Next Page IconTo Next Page
To Previous Page IconTo Previous Page
To Previous Page IconTo Previous Page
Loading...
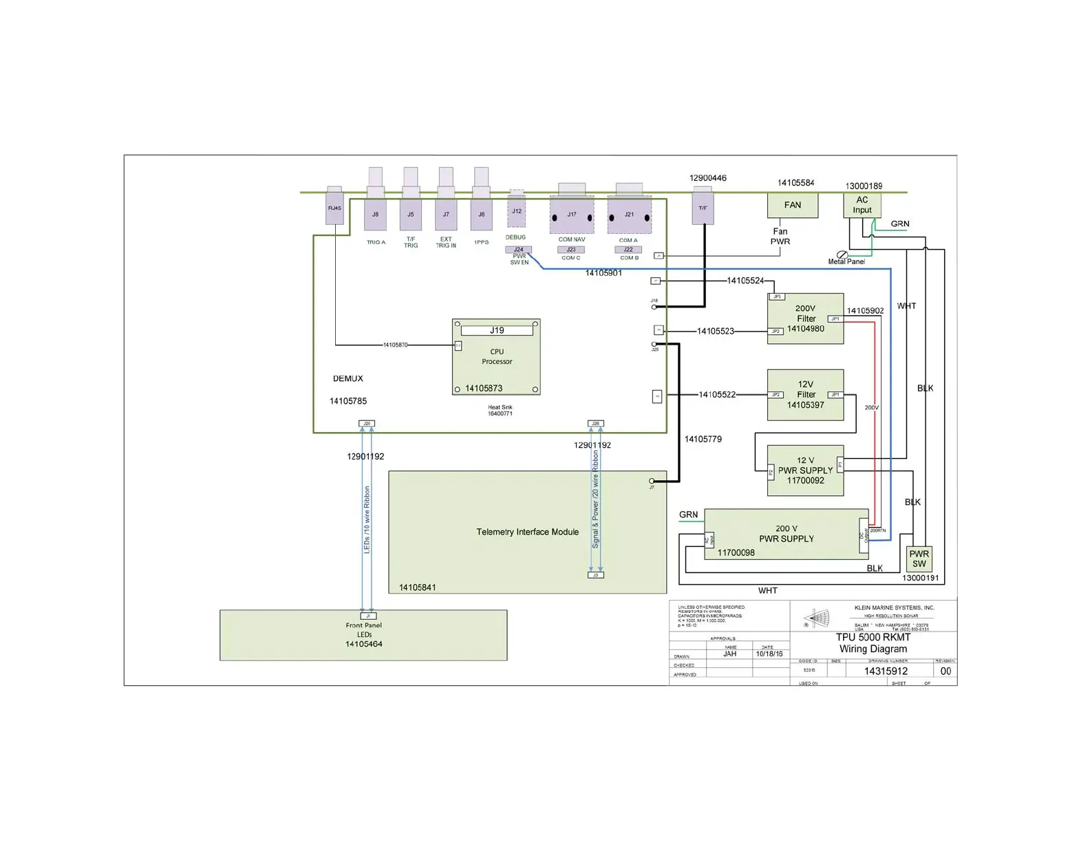
E-2 APPENDIX E Drawings and Parts Lists
Series 5000 V2 Sonar System Operations and Maintenance Manual P/N 11214512, Rev. 04

Table of Contents

Related product manuals