EasyManua.ls Logo

Kollmorgen S700

Kollmorgen S700
216 pages
Go to English
To Next Page IconTo Next Page
To Next Page IconTo Next Page
To Previous Page IconTo Previous Page
To Previous Page IconTo Previous Page
Loading...
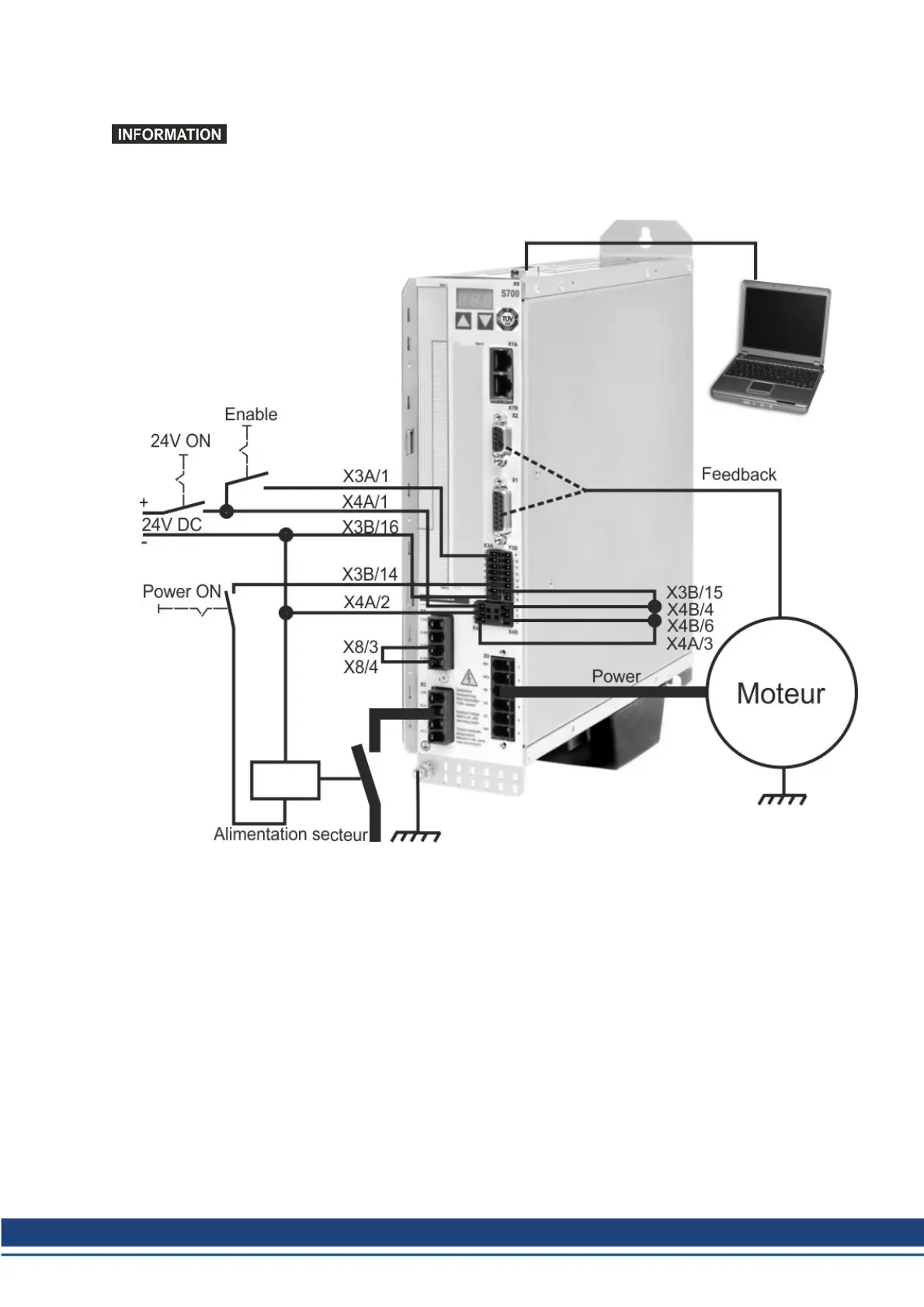
3.6.3.3 Câblage minimal pour le test rapide S701...S724 sans charge
Ce câblage ne remplit pas d’exigences en matière de sécurité ou efficacité du fonc-
tionnement de votre application. Elle ne montre que le câblage minimal cessaire pour le
test rapides.
S700 Safety Guide | 3 Français
Kollmorgen | September 2015 107

Table of Contents

Other manuals for Kollmorgen S700

Related product manuals