EasyManua.ls Logo

Kollmorgen S700

Kollmorgen S700
216 pages
Go to English
To Next Page IconTo Next Page
To Next Page IconTo Next Page
To Previous Page IconTo Previous Page
To Previous Page IconTo Previous Page
Loading...
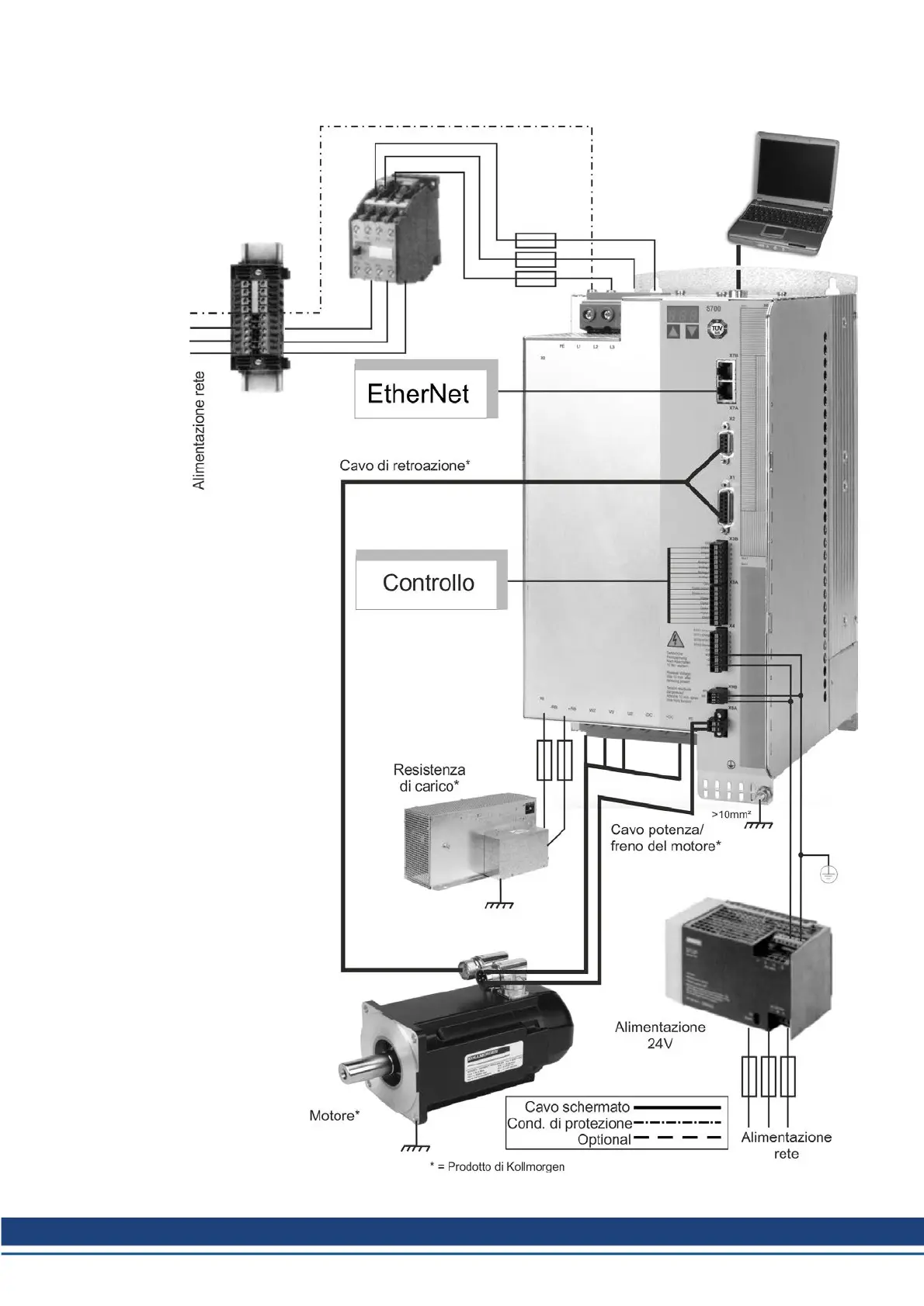
4.3.4 Sistema di azionamento con S748...S772
S700 Safety Guide | 4 Italiano
Kollmorgen | September 2015 129

Table of Contents

Other manuals for Kollmorgen S700

Related product manuals