EasyManua.ls Logo

Kollmorgen S700

Kollmorgen S700
216 pages
Go to English
To Next Page IconTo Next Page
To Next Page IconTo Next Page
To Previous Page IconTo Previous Page
To Previous Page IconTo Previous Page
Loading...
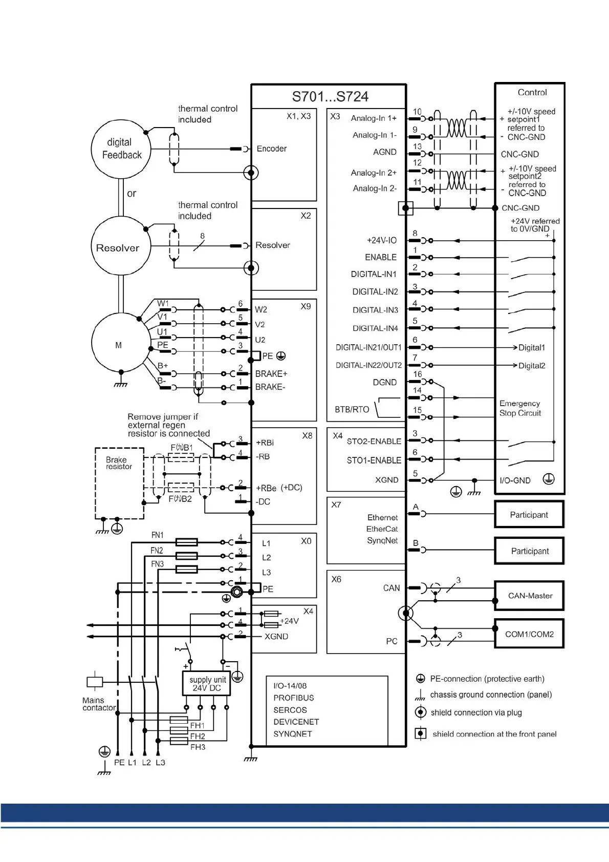
6.2.1.2 Connection overview S701...S724
S700 Safety Guide | 6 Appendix
Kollmorgen | September 2015 205

Table of Contents

Other manuals for Kollmorgen S700

Related product manuals