EasyManua.ls Logo

Kollmorgen S700

Kollmorgen S700
216 pages
Go to English
To Next Page IconTo Next Page
To Next Page IconTo Next Page
To Previous Page IconTo Previous Page
To Previous Page IconTo Previous Page
Loading...
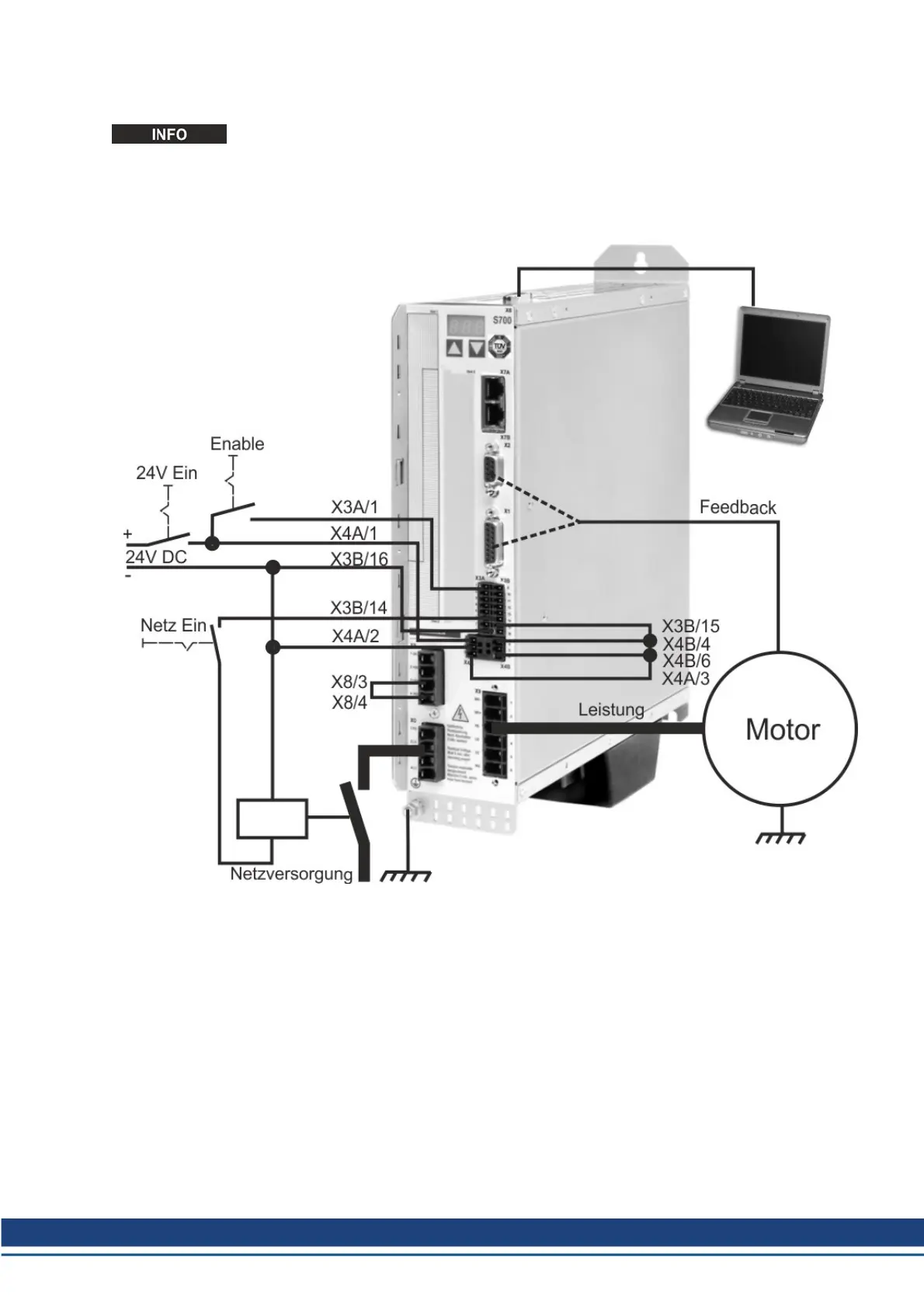
1.6.3.3 Minimale Verdrahtung r den Schnelltest S701...S724 ohne Last
Diese Verdrahtung erfüllt keinerlei Anforderungen an die Sicherheit oder Funktionstüchtigkeit
Ihrer Anwendung.
Sie zeigt lediglich die für den Schnelltest erforderliche Mindestverdrahtung.
S700 Safety Guide | 1 Deutsch
Kollmorgen | September 2015 31

Table of Contents

Other manuals for Kollmorgen S700

Related product manuals