EasyManua.ls Logo

Kollmorgen SERVOSTAR 300

Kollmorgen SERVOSTAR 300
88 pages
To Next Page IconTo Next Page
To Next Page IconTo Next Page
To Previous Page IconTo Previous Page
To Previous Page IconTo Previous Page
Loading...
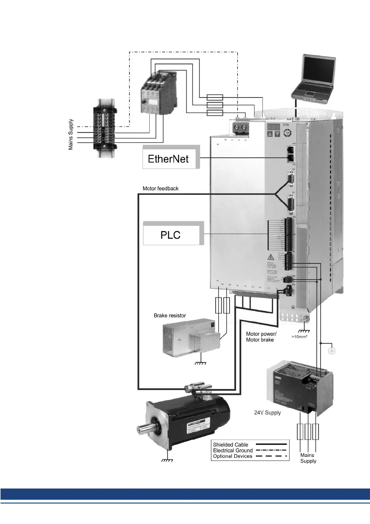
3.6 Drive System with S748/772
Accessories Europe | 3 Digital Drive Systems
Kollmorgen | December 2014 15

Table of Contents

Other manuals for Kollmorgen SERVOSTAR 300

Related product manuals