EasyManua.ls Logo

Kongsberg Simrad AP20 - Page 41

Kongsberg Simrad AP20
126 pages
Print Icon
To Next Page IconTo Next Page
To Next Page IconTo Next Page
To Previous Page IconTo Previous Page
To Previous Page IconTo Previous Page
Loading...
Technical Specifications
20220505H 39
Display:
Type: ................................. Backlit LCD matrix display
Resolution:........................ 160 x 128 pixels
Colour:....................................... Black
Illumination: .............................. Adjustable in 10 steps
Environmental Protection:......... IP56 from front, IP43 from back.
Safe distance to compass:.......... 0.5 m (1.6 ft.)
Temperature:
Operating: ......................... 0 to +55 °C (+32 to +130 °F)
Storage: ............................. –30 to +80 °C (–22 to +176 °F)
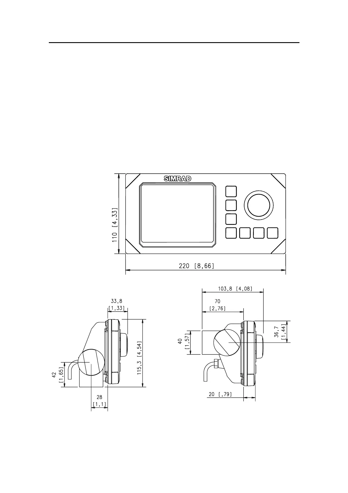
Figure 3-1 AP20 Control Unit – dimensions
(Mounting bracket is optional equipment)

Table of Contents

Related product manuals