EasyManua.ls Logo

Kongsberg Simrad AP20 - LF3000 Linear Feedback

Kongsberg Simrad AP20
126 pages
Print Icon
To Next Page IconTo Next Page
To Next Page IconTo Next Page
To Previous Page IconTo Previous Page
To Previous Page IconTo Previous Page
Loading...
Installation
20220505H 77
COM
STBD
PORT
ENAB
AL1
AL2
SIN
COS
GND
Vref
SIN
HI
LO
NFU
COS
MAGN. COMPANALOG
GYRO
MAGNETIC COMPASS
WITH CD100A COURSE
DETECTOR
FLUXGATE COMPASS
WITH SINE/COSINE
OUTPUT
DC SUPPLY
RGC10/RGC50
GYRO COMPASS
R1
R2
S1
S2
S3
WIND
VANE
CI300X COMPASS INTERFACE
ROBNET
CONNECTIONS
TB1
TB2
TB3
TB4
TB5
NOT IN USE
1
4
5
3
2
Vref
SIN
HI
LO
WHITE
GREY
YELLOW
GREEN
BROWN
COS
CD100 CONNECTIONS:
ALT. 1
Vref
SIN
HI
LO
ORANGE
BLUE
BLACK**
GREEN
BLACK*
COS
ALT. 2
To identify the black wires,
measure 8-12 ohm between
orange and black* and 6-10
ohm between green and
black**.
Third black wire not in use.
MAGN. COMP
MAGN. COMP
NON FOLLOW UP
STEERING
LEVER
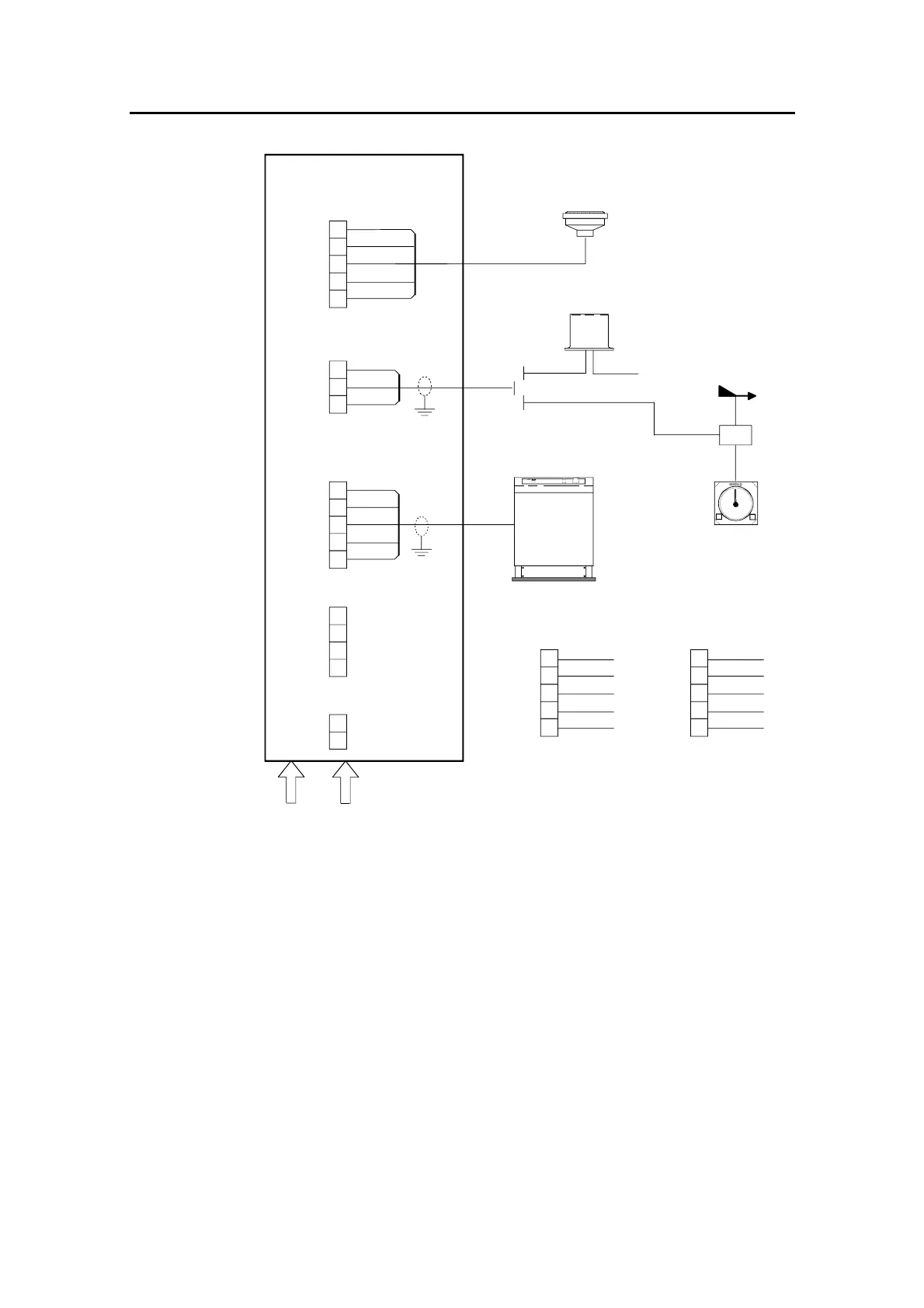
Figure 4-25 CI300X Interconnections
Note ! CD100 has a connector that has to be cut off the cable.
4.27 LF3000 Linear Feedback
Note ! The rod of the LF3000 is not locked in place in the cylinder. If
caution is not exercised it may slip out of its housing and end up
over the side, so be careful!
The LF3000 is a waterproof feedback unit. It has a 300 mm
(11,8") stroke and comes with a special mounting bracket which
secures the LF3000 to the cylinder of the existing outboard drive
unit.

Table of Contents

Related product manuals