EasyManua.ls Logo

Lantronix CoBox-Micro - Overview; Board Layout

Lantronix CoBox-Micro
110 pages
Print Icon
To Next Page IconTo Next Page
To Next Page IconTo Next Page
To Previous Page IconTo Previous Page
To Previous Page IconTo Previous Page
Loading...
2-1
2: CoBox-Micro
Overview
The CoBox-Micro integrate into products quickly and easily. Serial interfacing is
accomplished via a TTL connector, and for Ethernet access, an optional RJ45 (10BASE-T)
connector is available. The orientation of its interface pins can be specified to fit your
product. It requires 5 volts DC of regulated power with maximum current of 200mA.
The CoBox-Micro’s well-developed IP firmware supports protocols such as ARP, UDP,
TCP, Telnet, BOOTP, ICMP, SNMP, DHCP, TFTP, and HTTP, as well as other custom
protocols. The CoBox-Micro also supports a variety of user-configurable options such as
buffer control and packetization, which make it easy to use in most applications.
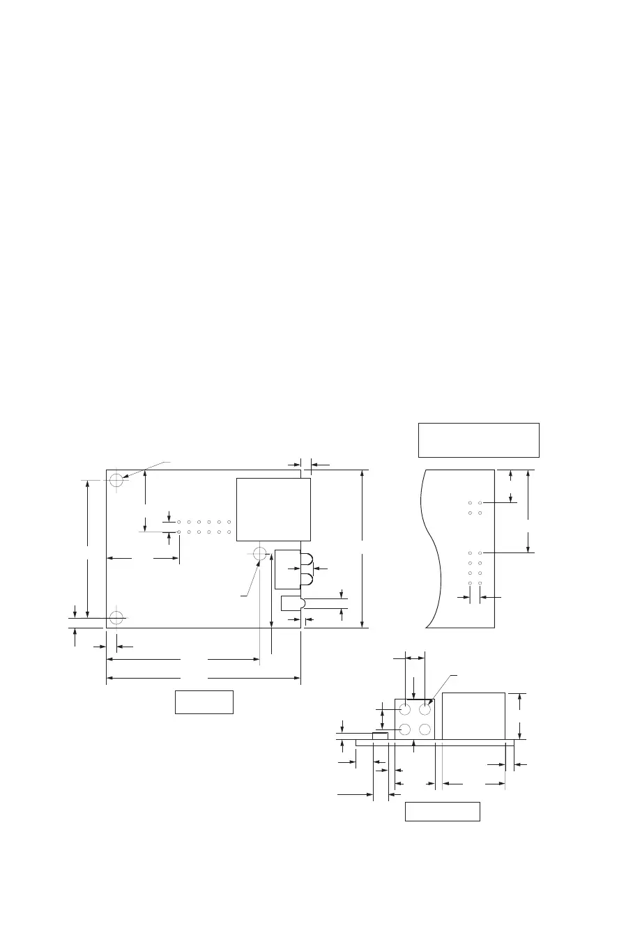
Board Layout
Figure 2-1: CoBox-Micro Board Layout
Alternate construction,
without LED/RJ45 Connector
1.575
1.935
1.370
.
100
.100
.625.400
.150
.465 (Note
1
.400
.068
.065
.087
.200
.200
1.530
Use this hole for chassis ground
Ø.130 3 places
.620
Ø.115
.739
Board Top
Connector End
.100
.120
.050
.095
.100
.724
.170
.330
.830
.100
Notes
1. This also represents the highest component on
the board.

Table of Contents

Related product manuals