EasyManua.ls Logo

Leadshine HBS86H - Connections to DifferentialSignal

Leadshine HBS86H
22 pages
Print Icon
To Next Page IconTo Next Page
To Next Page IconTo Next Page
To Previous Page IconTo Previous Page
To Previous Page IconTo Previous Page
Loading...
-10-
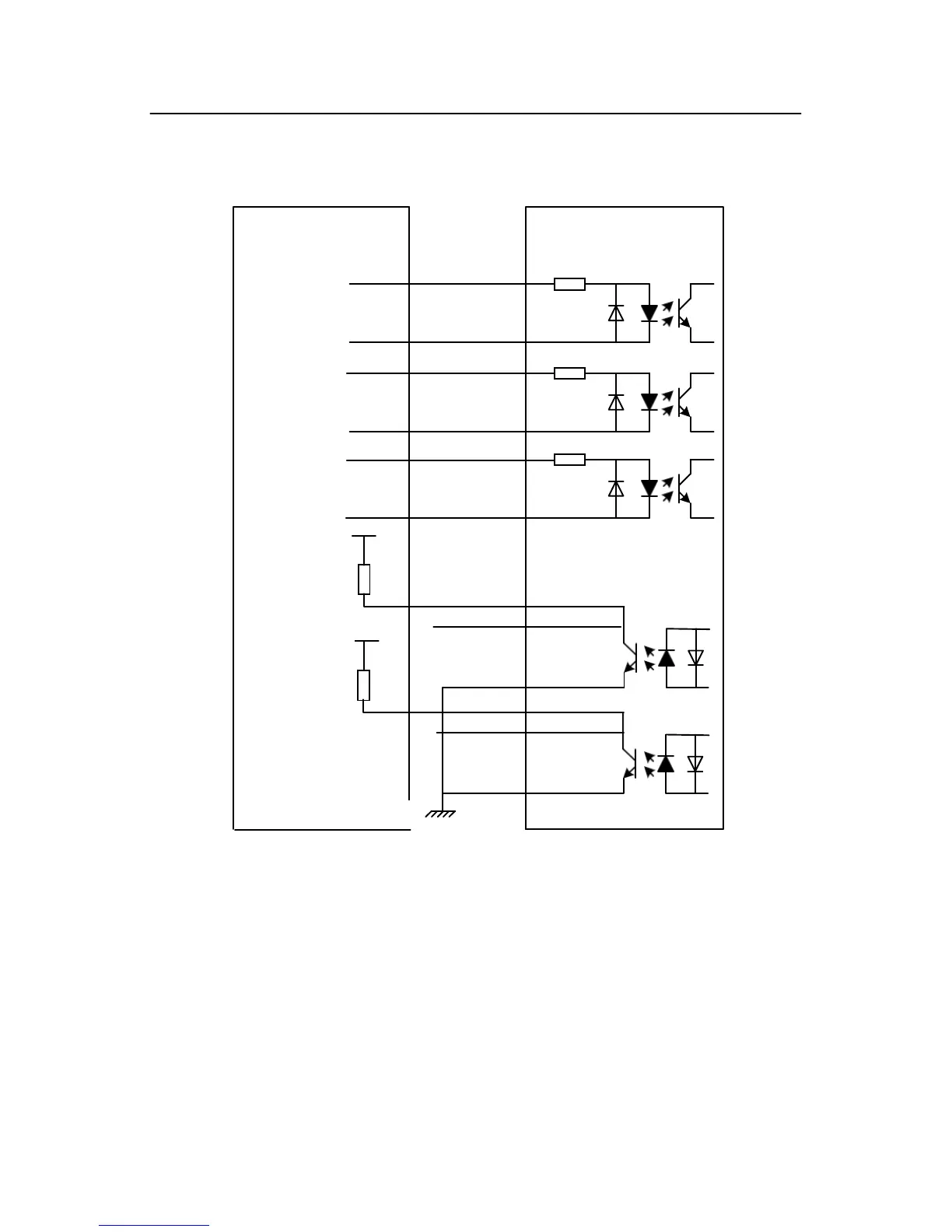
5.3
Connections to DifferentialSignal
Remark:
VCC is compatible with 5V or 24V;
R(3~5K) must be connected to control signal terminal.
Controller
2HSS86H-KH
Drive
PUL+
270
Pulse
Signal
PUL-
DIR+
270
Direction
Signal
DIR-
ENA+
270
Enable
Signal
ENA-
VCC
R
PEND+
VCC
R
PEND-
ALM+
ALM-

Other manuals for Leadshine HBS86H

Related product manuals