EasyManua.ls Logo

Leadshine HBS86H - Connections to ControlSignal; Connections to CommonAnode

Leadshine HBS86H
22 pages
Print Icon
To Next Page IconTo Next Page
To Next Page IconTo Next Page
To Previous Page IconTo Previous Page
To Previous Page IconTo Previous Page
Loading...
-8-
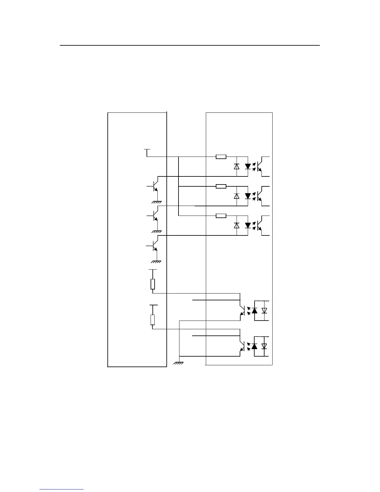
5. Connections to ControlSignal
5.1
Connections to CommonAnode
Remark:
VCC is compatible with 5V or 24V;
R(3~5K) must be connected to control signal terminal.
Controller
2HSS86H-KH
Drive
VCC
PUL+
270
PUL-
Pulse
Signal
DIR+
270
DIR-
Direction
Signal
ENA+
270
ENA-
Enable
Signal
VCC
R
PEND+
VCC
R
PEND-
ALM+
ALM-

Other manuals for Leadshine HBS86H

Related product manuals