EasyManua.ls Logo

LEGRAND VANTAGE CC-STAT - Page 25

LEGRAND VANTAGE CC-STAT
30 pages
Print Icon
To Next Page IconTo Next Page
To Next Page IconTo Next Page
To Previous Page IconTo Previous Page
To Previous Page IconTo Previous Page
Loading...
25
No: IS-0685 – Rev. 2
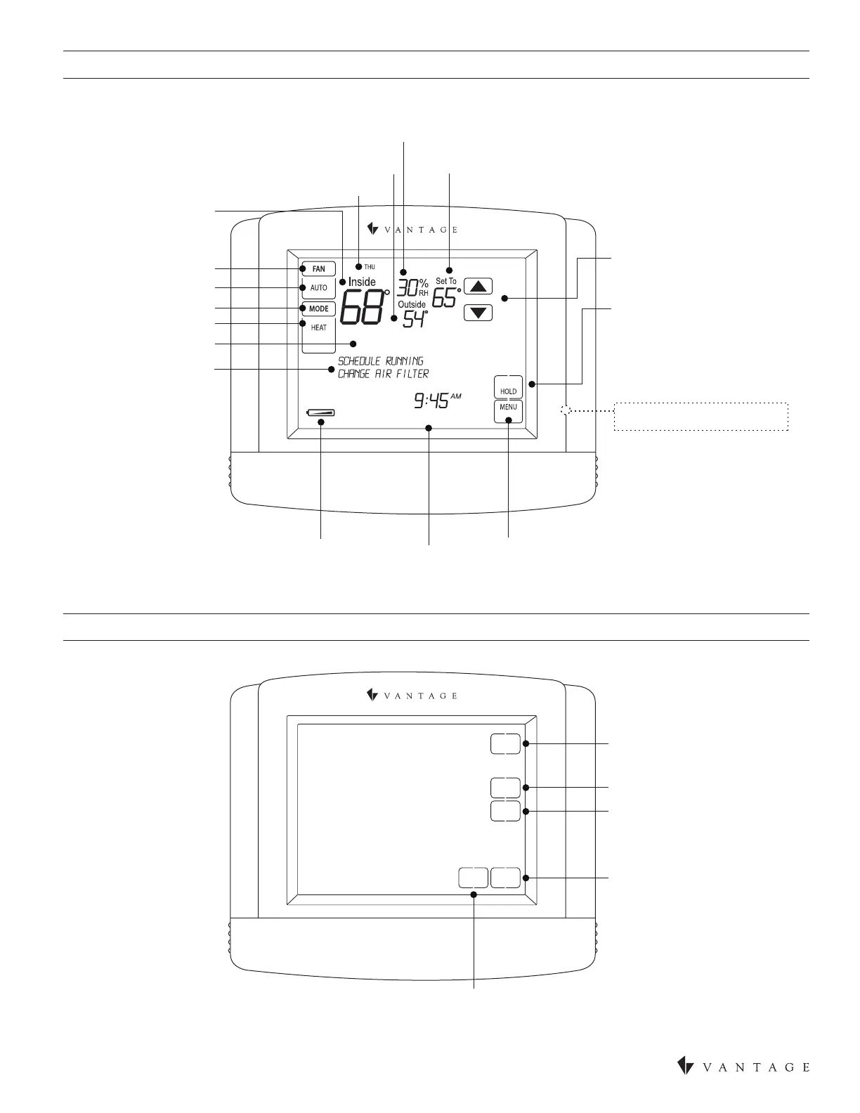
HOME SCREEN DIAGRAM
MAIN MENU
TEMPERATURE
ADJUSTMENT
HEAT PUMP MODE ONLY
EMERGENCY / AUXILIARY
HEAT (RED)
(Indicator shows through housing)
HOLD BUTTON
(In programmable mode
sets or clears hold)
NETWORK OVERRIDE
(In non-programmable mode)
MESSAGE CENTER
(Scrolling Text)
MAIN MENU
BUTTOM
EQUIPMENT STATUS
ROOM
TEMPERATURE
FAN MODE BUTTON
FAN MODE SETTING
SYSTEM MODE BUTTON
SYSTEM MODE SETTING
TEMPERATURE
SETTING
OUTDOOR
TEMPERATURE
CURRENT DAY
ROOM RELATIVE
HUMIDITY
LOW BATTERY
INDICATOR
CURRENT
TIME & DATE
Heating
8/17/22
CLEAN SCREEN
(Lockout Touchscreen
for 30 seconds)
SET CURRENT TIME)
SET CURRENT DATE
DONE BUTTON
(Exit Menu)
USER SYSTEM SETTINGS
CLEAN
SCREEN
SET
CLOCK
SET
DATE
DONESETUP

Related product manuals