EasyManua.ls Logo

Lenovo ThinkPad E570 - Page 125

Lenovo ThinkPad E570
134 pages
Print Icon
To Next Page IconTo Next Page
To Next Page IconTo Next Page
To Previous Page IconTo Previous Page
To Previous Page IconTo Previous Page
Loading...
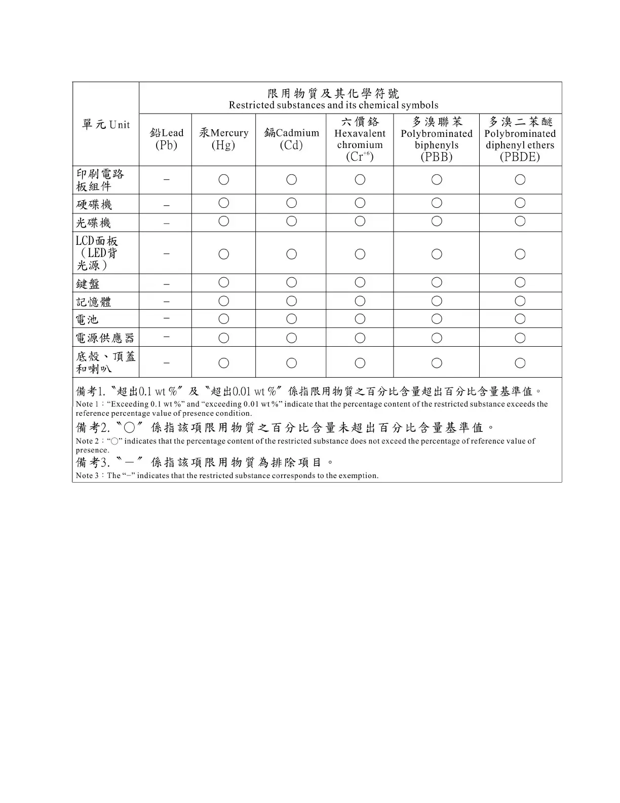
TaiwanRoHS
AppendixC.RestrictionofHazardousSubstances(RoHS)Directive109

Table of Contents

Related product manuals