EasyManua.ls Logo

Lenze EMB9352-E - Raccordement Au Variateur 93 XX

Lenze EMB9352-E
Print Icon
To Next Page IconTo Next Page
To Next Page IconTo Next Page
To Previous Page IconTo Previous Page
To Previous Page IconTo Previous Page
Loading...
Installation électrique
Hacheur de freinage 9352
Raccordement au variateur 93XX
6
133
EDBMB935X DE/EN/FR 11.0
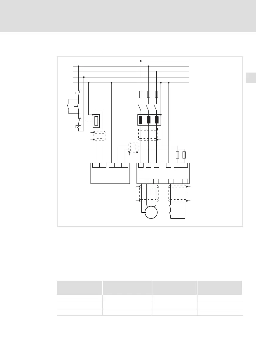
6.5.2 Raccordement au variateur 93XX
U
V
W
9321 - 9333
9352
Z1
Z2
PE
+UG
+UG
RB1
-UG
-UG
RB2
K1
RFR
L1
L2
L3
28
A1
"
"
OFF
K1
K1
Z3
K1
Z4
ON
F4 F5
PE
PE
"
"
"
"
"
"
L3
N
PE
L1
L2
JRB
M
3~
PE
"
"
F1...F3
9350br_009
Fig. 9 Raccordement du hacheur de freinage 9352 au variateur de vitesse 93XX
Z1 Hacheur de freinage
Z2 Variateur de vitesse
Z3 Self réseau
Z4 Résistance de freinage
K1 Contacteur réseau
F1 ... F3 Fusibles réseau
F4, F5 Fusibles pour bus CC (recommandation)
Tension réseau [V
eff
] Seuil de commutation
[V]
Position de
l’interrupteur S1
Position de
l’interrupteur S2
230 375 OFF OFF
400 ... 460 725 ON OFF
480
1)
765 ON ON
1)
En gras = réglage Lenze

Table of Contents

Related product manuals