EasyManua.ls Logo

Lexmark C925 - Page 21

Lexmark C925
69 pages
Print Icon
To Next Page IconTo Next Page
To Next Page IconTo Next Page
To Previous Page IconTo Previous Page
To Previous Page IconTo Previous Page
Loading...
Lexmark C925/X925 Color Product Study Guide Rev 2.3
For Training Purposes Only 6/21/2011
13
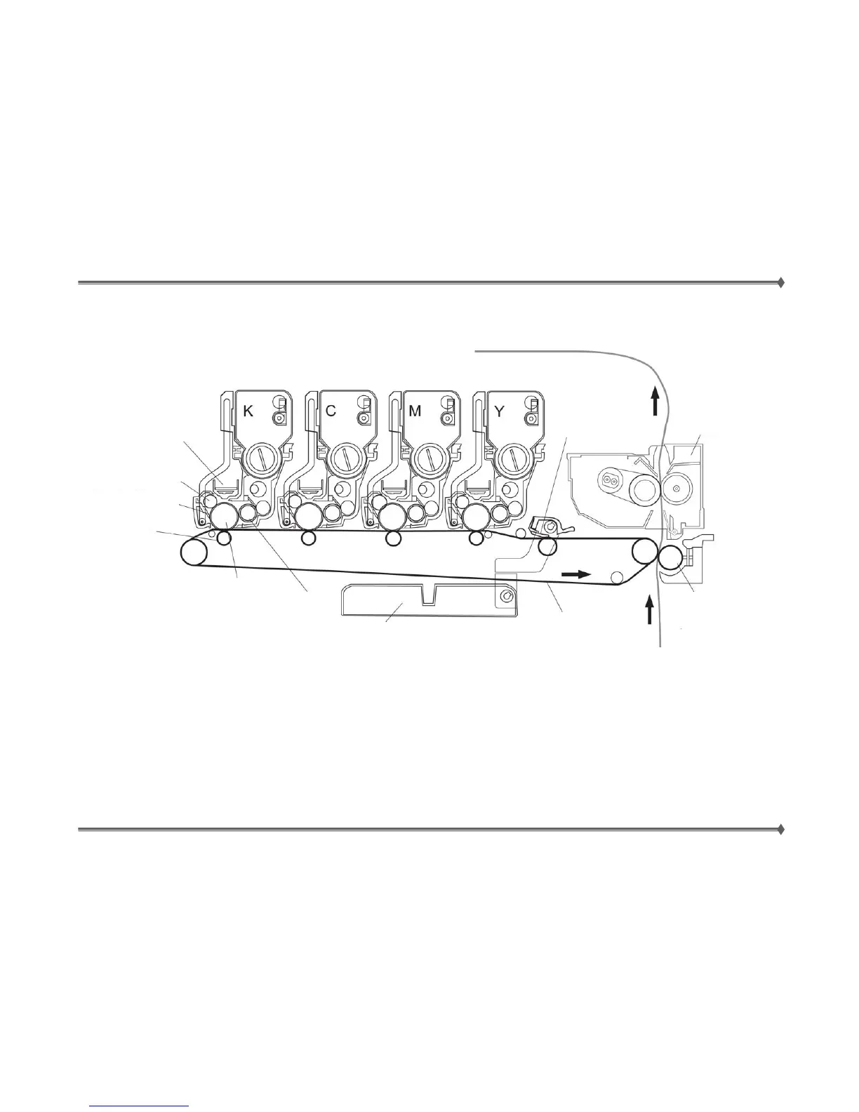
EP Process Components Cross-sectional
LED Printhead
Charge Roll
Cleaning Blade
(Photoconductor)
Cleaning Blade
(Photoconductor)
1
s
t
Transfer
Roller
Photoconductor
Drum
Developer Roller
Waste Toner Box
Transfer Belt
2
n
d
Transfer
Roller
Fuser
Cleaning Blade
(Transfer Belt)

Table of Contents

Other manuals for Lexmark C925

Related product manuals