EasyManua.ls Logo

LORCH V Series - Cooling Unit Operation; Internal Cooling Unit Schematic; External Cooling Unit Schematic; Cooling Unit Identification Methods

LORCH V Series
48 pages
Print Icon
To Next Page IconTo Next Page
To Next Page IconTo Next Page
To Previous Page IconTo Previous Page
To Previous Page IconTo Previous Page
Loading...
page 36
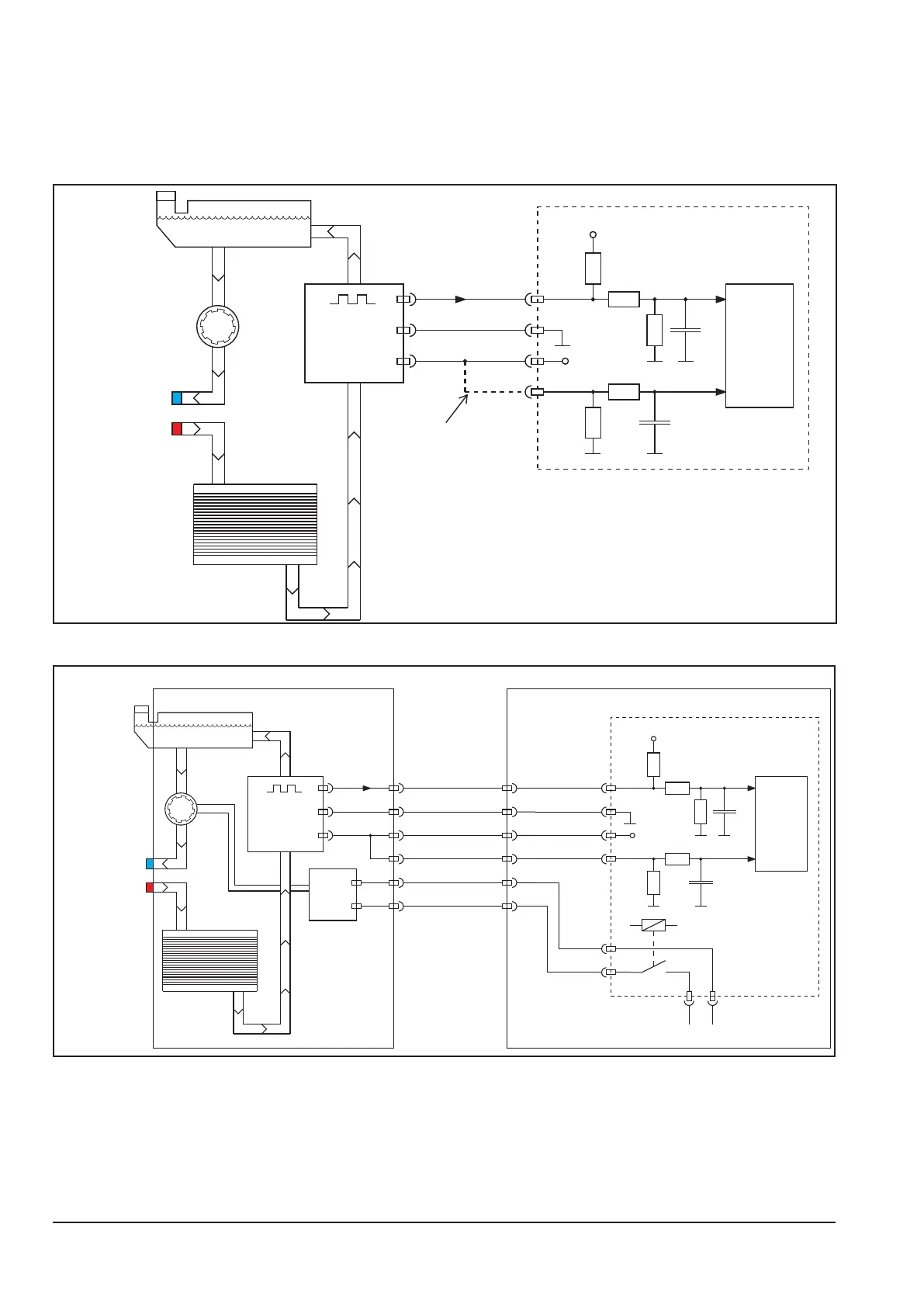
Cooling unit
At watercooled machines, the owrate of the cooling liquid is measured in the return ow. The owmeter output is
a digital signal where it’s frequency is proportional to the owrate. The higher the owrate, the higher the frequen-
cy. If the owrate is below 0.3 liter per minute, the machines will stop and dislays E05 (cooling system error).
Schematic (internal cooling unit)
X12 / 2
X12 / 3
X12 / 1
X12 / 4
2
3
1
+15V
+15V
MASTER
DK-MAPRO
identification
“gascooled“
tank
pump
hose connector
blue
hose connector
red
flow meter
cooler
Schematic (external cooling unit “WUK“)
X12 / 2
X12 / 3
X12 / 1
X12 / 4
2
3
1
X1 / 4
X1 / 5
X1 / 3
X1 / 6
WUK
+15V
+15V
MASTER
DK-MAPRO
X7 / 4
X7 / 5
X7 / 3
X7 / 6
X1 / 1
X1 / 2
X5 / 2
X5 / 4
X7 / 1
X7 / 2
X10 / 1
X10 / 2
X6 / 1
X6 / 3
42V AC
power source
tank
pump
hose connector
blue
hose connector
red
flow meter
cooler
At gas cooled machines, a small cable bridge is shorting pins 1 and 4 at connector X12, instead of a ow meter.
This is the identication to deactivate the monitoring of the ow meter.
At the V mobile machines, this identication is used to detect if an external water cooling unit is attached or not.
In this case the cable bridge has the opposite meaning: “water cooled“. This is the reason for setting the DIP
switch 4 on the DK-MAPRO board:
OFF = internal cooling system (“driveable machines“)
ON = external cooling system (“mobile machines“)

Related product manuals