EasyManua.ls Logo

LSIS XEC-DN60SU - Page 304

LSIS XEC-DN60SU
315 pages
Print Icon
To Next Page IconTo Next Page
To Next Page IconTo Next Page
To Previous Page IconTo Previous Page
To Previous Page IconTo Previous Page
Loading...
Appendix 3 Motor Wiring Example
App.3 - 6
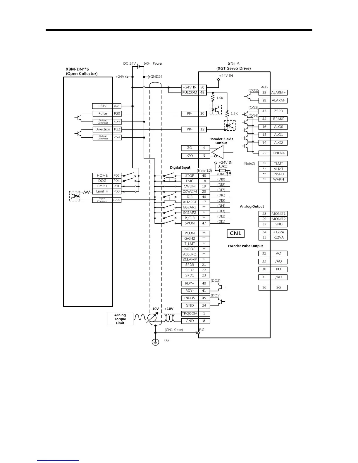
(4) Connection to a servo motor driver (XGT Servo XDL-S)
(a) In case of XBM-DN**S
This picture is based on 1-axis. For more information about 2-axis wiring, refer to
pin information.
(Note1) Input Signal DI1~DIA, Output Signal DO1~DO5 is assigned initial signal from factory shipment
(Note2) ** Not assigned Signal. Allocation can be changed by setting servo parameter

Table of Contents

Related product manuals