EasyManua.ls Logo

LSIS XEC-DN60SU - Page 303

LSIS XEC-DN60SU
315 pages
Print Icon
To Next Page IconTo Next Page
To Next Page IconTo Next Page
To Previous Page IconTo Previous Page
To Previous Page IconTo Previous Page
Loading...
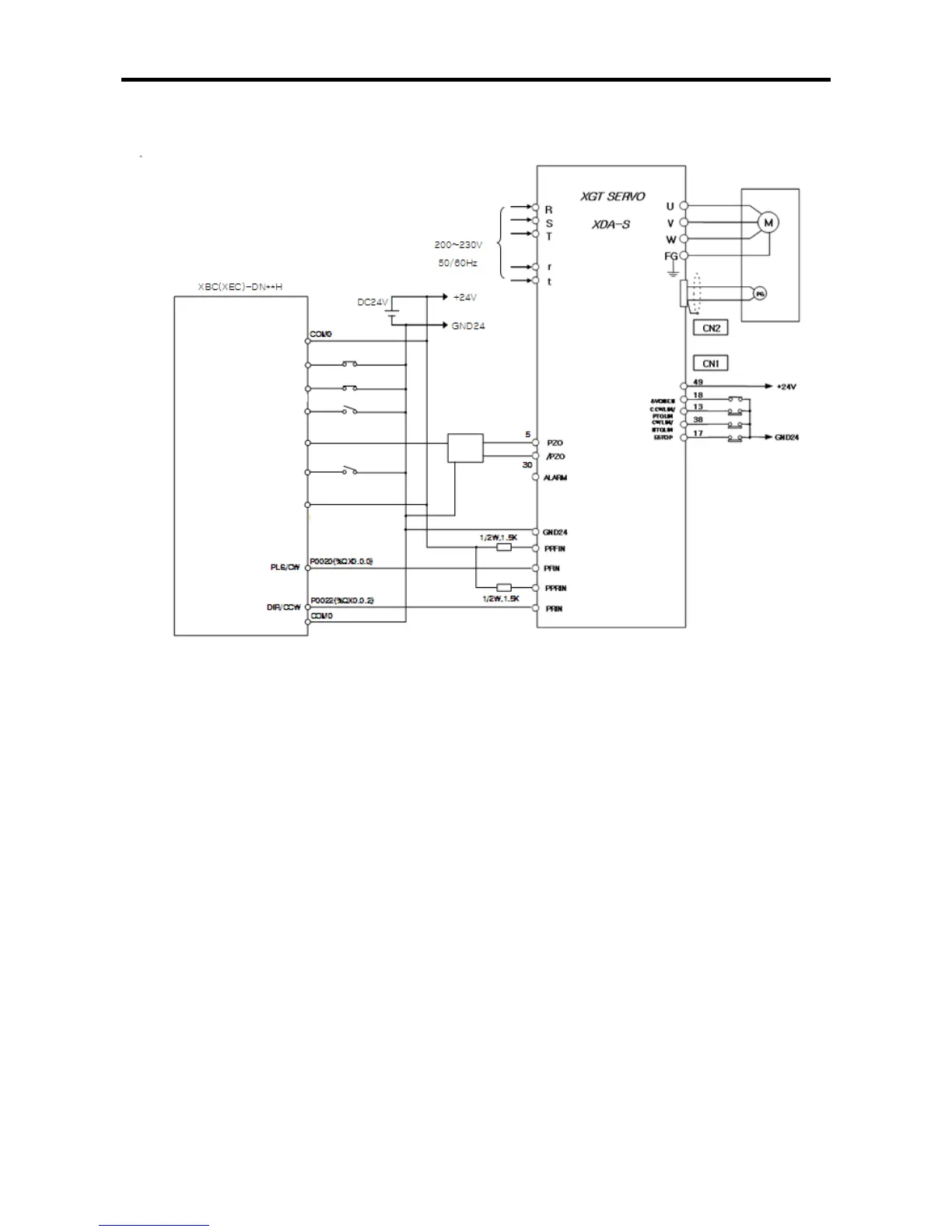
Appendix 3 Motor Wiring Example
App.3 - 5
(b) In case of XBC/XEC-DN**H
(Note1) The rating of Origin input for XGB stand type is 24VDC. If it is line driver output, contact cant be connected. In the
case, use a convert from line driver output to open collector output or use home return only by DOG signal/origin
sensor of origin signal.
(Note2) Although origin, DOC, upper/lower limit signals are with fixed contact, it may be used for general input if they are
not used. Emergency stop is available by the command (EMG).
(Note3) The above wiring is applied when P07-01=27(positioning mode)
(Note4) Since pulse + direction mode and CW/CCW mode are available for XGB high-end type, make sure to change the
input mode of a servo motor driver according to output mode of positioning module
(Note5) In the above wiring, Axis X of XGB high-end type built-in positioning is used.
Note2
Input Common
Lower limit
P0008 (%IX0.0.8)
Upper limit
P0009 (%IX0.0.9)
Emergency Stop
Origin
P000D (%IX0.0.13)
DOG
P000C (%IX0.0.12)
External DC24V
Input terminal
Note1
Servo motor
Power AC

Table of Contents

Related product manuals