EasyManua.ls Logo

Macurco CD-6B - Annexe B - Structure du Menu; Menu Principal

Macurco CD-6B
130 pages
Print Icon
To Next Page IconTo Next Page
To Next Page IconTo Next Page
To Previous Page IconTo Previous Page
To Previous Page IconTo Previous Page
Loading...
Macurco CD-6B Manual (Rev-1.0) Eng
RÉV 1.0 [34-2900-0510-2 ] 33 | Page
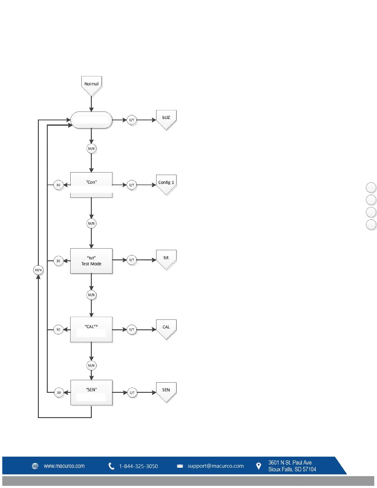
9 Annexe B Structure du menu
9.1 Menu principal
REMARQUES:
1. Les réglages du capteur sont disponibles sur la
feuille de calcul des réglages du capteur. Tous les
réglages ici ne sont donnés qu’à titre d’exemple.
2. ROUGE indique les modifications sont apportées
à la configuration.
3. Les informations entre guillemets (« »)
correspondent aux valeurs indiquées sur l’affichage.
Lorsque deux chaînes entre guillemets sont
séparées par une barre oblique (par exemple
« /_On »), cela signifie que les deux chaînes sont
alternées.
Bouton Menu/Next
Bouton Enter/Test
Attendre pendant 30 secondes
Attendre pendant xx secondes
E/T
M/N
Atten
XX
Mode Normal
Mode Configuration
Étalonnage
Étalonnage

Table of Contents

Related product manuals