EasyManua.ls Logo

Macurco CD-6B - Menú de Configuración CON

Macurco CD-6B
130 pages
Print Icon
To Next Page IconTo Next Page
To Next Page IconTo Next Page
To Previous Page IconTo Previous Page
To Previous Page IconTo Previous Page
Loading...
Manual del detector Macurco CD-6B (Rev. 1.0) ES-LA
REV.: 1.0 [34-2900-0510-2 ] 35 | Página
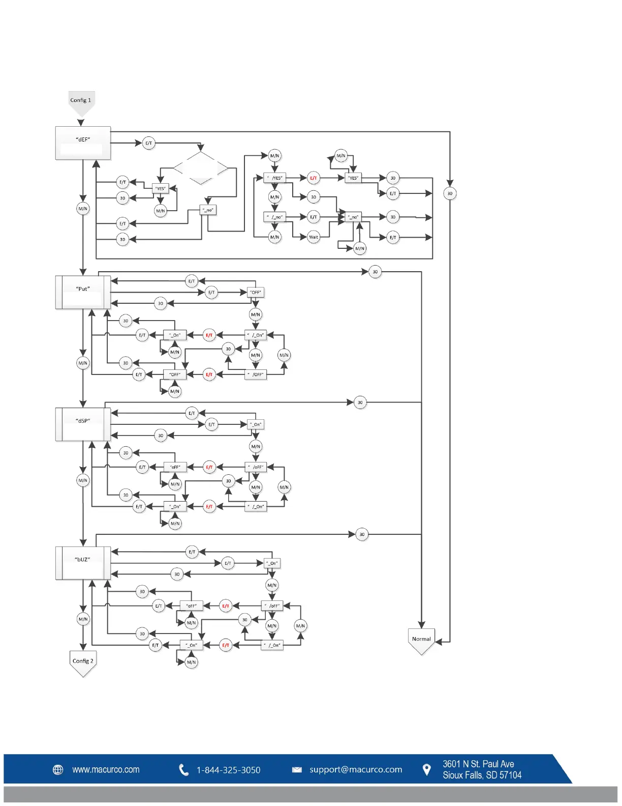
9.3 Menú de configuración “CON”
Predefinido
¿
Valores
predefinido
s?
Prueba en el
encendido
Vaya al ajuste actual OFF,
en este ejemplo
Vaya al ajuste actual ON, en
este ejemplo
Vaya al ajuste actual ON, en
este ejemplo
Modo
Visualización
Modo
Zumbador

Table of Contents

Related product manuals