EasyManua.ls Logo

Macurco CD-6B - Menú de Restablecimiento del Sensor SEN

Macurco CD-6B
130 pages
Print Icon
To Next Page IconTo Next Page
To Next Page IconTo Next Page
To Previous Page IconTo Previous Page
To Previous Page IconTo Previous Page
Loading...
Manual del detector Macurco CD-6B (Rev. 1.0) ES-LA
REV.: 1.0 [34-2900-0510-2 ] 43 | Página
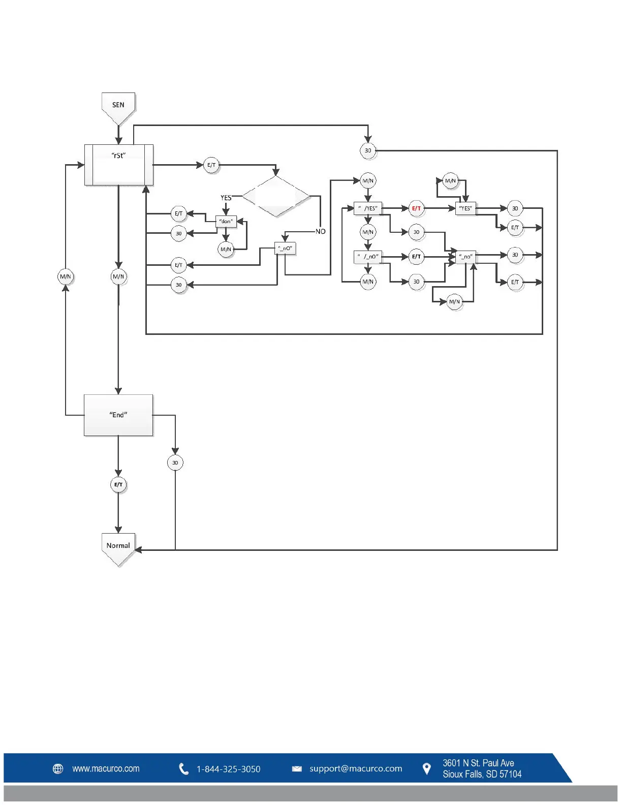
9.6 Menú de restablecimiento del sensor “SEN
Restablecer la
caducidad del
sensor
¿Restablecer
ejecutado?

Table of Contents

Related product manuals