EasyManua.ls Logo

Macurco CD-6B - Menu Réinitialisation du Capteur SEN

Macurco CD-6B
130 pages
Print Icon
To Next Page IconTo Next Page
To Next Page IconTo Next Page
To Previous Page IconTo Previous Page
To Previous Page IconTo Previous Page
Loading...
Macurco CD-6B Manual (Rev-1.0) Eng
RÉV 1.0 [34-2900-0510-2 ] 43 | Page
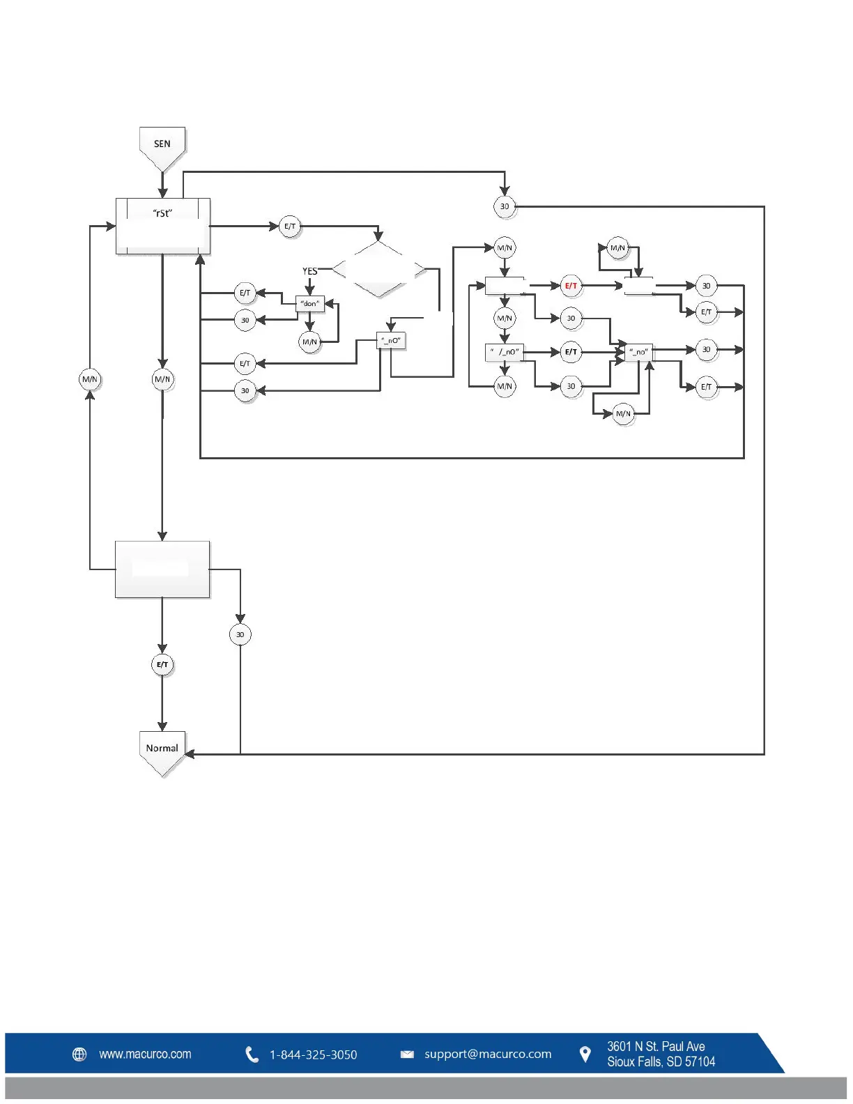
9.6 Menu réinitialisation du capteur « SEN »
Réinitialisation du
capteur expiré
Réinitialisation
effectuée?
"Fin"
"Oui"
" /Oui"
Non

Table of Contents

Related product manuals