EasyManua.ls Logo

Macurco CD-6B - Cableado; Conexión de la Alimentación; Conexión del Relé de Alarma 1; Conexión del Relé de Alarma 2

Macurco CD-6B
130 pages
Print Icon
To Next Page IconTo Next Page
To Next Page IconTo Next Page
To Previous Page IconTo Previous Page
To Previous Page IconTo Previous Page
Loading...
Manual del detector Macurco CD-6B (Rev. 1.0) ES-LA
REV.: 1.0 [34-2900-0510-2 ] 12 | Página
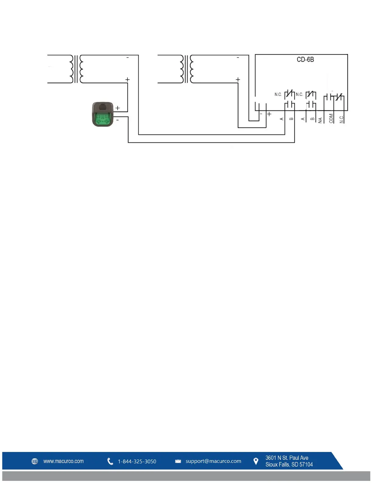
Figura 3-8 Diagrama de cableado del dispositivo combinado bocina/baliza estroboscópica con un detector CD-6B
3.3 Cableado
Con la excepción de la conexión a tierra de seguridad, todo el cableado externo se realiza a través de conectores
modulares (provistos). Antes de llevar a cabo cada conexión lea las instrucciones específicas indicadas a
continuación, y luego siga las indicaciones de la sección 3.3.5, Instalación del cableado.
3.3.1 Conexión de la alimentación
Conecte el CD-6B únicamente a un suministro eléctrico de clase 2. Se sugiere alimentar la unidad, o unidades, a
través de un transformador de uso exclusivo para evitar las posibles interferencias de otros dispositivos en la misma
línea de alimentación. La unidad posee dos bornes de conexión (Power) para la alimentación: 12 a 32 Vcc o 12 a 24
Vca (valores nominales) no polarizados.
3.3.2 Conexión del relé de alarma 1
Las conexiones para el relé de alarma 1 (A y B) se encuentran en el conector modular ALARM 1. Estas conexiones no
son polarizadas. El relé de alarma 1 es unipolar, apto para una carga de hasta 2 A con 240 Vca o 30 Vcc.
3.3.3 Conexión del relé de alarma 2
Las conexiones para el relé de alarma 2 (A y B) se encuentran en el conector modular ALARM 2. Estas conexiones no
son polarizadas. El relé de alarma 2 es unipolar, apto para una carga de hasta 2 A con 240 Vca o 30 Vcc.
3.3.4 Conexión del relé de alarma 3
Las conexiones para el relé de alarma 3 (NO, COM, NC) se encuentran en el conector modular ALARM 3. Estas
conexiones no son polarizadas. El relé de alarma 3 es unipolar de dos vías (conmutador), apto para una carga de
hasta 2 A con 240 Vca o 30 Vcc.
a. Conecte un cable a NO y otro a COM para una conexión normalmente abierta.
b. Conecte un cable a NC y otro a COM para una conexión normalmente cerrada.
3.3.5 Instalación del cableado
Para instalar el cableado, lea primero los detalles anteriores específicos para el componente que está conectando.
Luego, proceda como se indica a continuación:
Bocina/baliza
estroboscópica
Macurco, 16-33 Vcc
ALIMENTACION
ALIMENTACION
Transformador
16-33 Vcc
Transformador
12
-32 Vcc o 12-
24 Vca
RELÉ DE
ALARMA 1
RELÉ DE
ALARMA 2
RELÉ DE
ALARMA 3
ALIMENTACION
o
NA
o
NA

Table of Contents

Related product manuals