EasyManua.ls Logo

Macurco CD-6B - Page 53

Macurco CD-6B
130 pages
Print Icon
To Next Page IconTo Next Page
To Next Page IconTo Next Page
To Previous Page IconTo Previous Page
To Previous Page IconTo Previous Page
Loading...
Manual del detector Macurco CD-6B (Rev. 1.0) ES-LA
REV.: 1.0 [34-2900-0510-2 ] 11 | Página
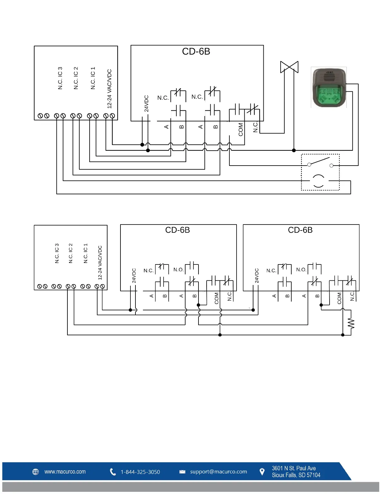
Figura 3-6 Diagrama de cableado del panel de control de alarma con un detector CD-6B
Figura 3-7 Diagrama de cableado de un panel de alarma alternativo con detectores CD-6B
ALIMENTACION
RELÉ DE
ALARMA 1
RELÉ DE
ALARMA 2
RELÉ DE
ALARMA 3
o
NA
NA
NA o
NA o
NA o
o
NA
Funciones auxiliares
VALVULA DE
GAS
Bocina/baliza
estroboscópica
Macurco, 16-33 Vcc
NA de relé
BOBINA
Panel de alarma contra
incendios
CA o CC
No polarizado
Panel de alarma
RELÉ DE
ALARMA 1
RELÉ DE
ALARMA 1
RELÉ DE
ALARMA 2
RELÉ DE
ALARMA 2
RELÉ DE
ALARMA 3
RELÉ DE
ALARMA 3
Funciones auxiliares
NA o
NA o
NA o
ALIMENTACION
ALIMENTACION
o
NA
o
NA
o
NA
o
NA
CA o CC
No polarizado
No polarizado
CA o CC
NA
NA

Table of Contents

Related product manuals