EasyManua.ls Logo

Macurco CD-6B - Sensor Reset SEN Menu

Macurco CD-6B
130 pages
Print Icon
To Next Page IconTo Next Page
To Next Page IconTo Next Page
To Previous Page IconTo Previous Page
To Previous Page IconTo Previous Page
Loading...
Macurco CD-6B Manual (Rev-1.0) Eng
REV 1.0 [34-2900-0510-2 ] 41 | Page
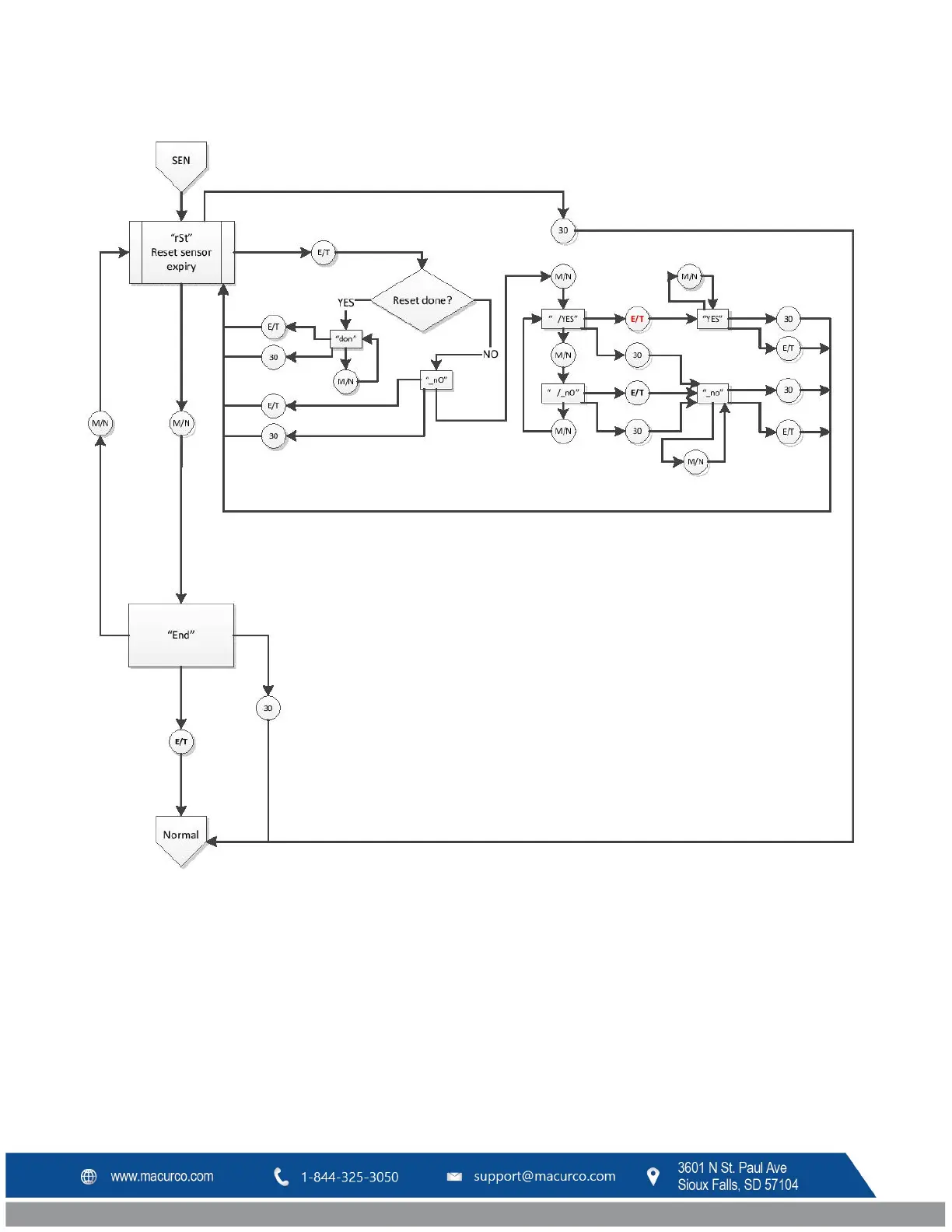
9.6 Sensor Reset “SENMenu

Table of Contents

Related product manuals