EasyManua.ls Logo

Macurco CD-6B - Menu de Configuration con

Macurco CD-6B
130 pages
Print Icon
To Next Page IconTo Next Page
To Next Page IconTo Next Page
To Previous Page IconTo Previous Page
To Previous Page IconTo Previous Page
Loading...
Macurco CD-6B Manual (Rev-1.0) Eng
RÉV 1.0 [34-2900-0510-2 ] 35 | Page
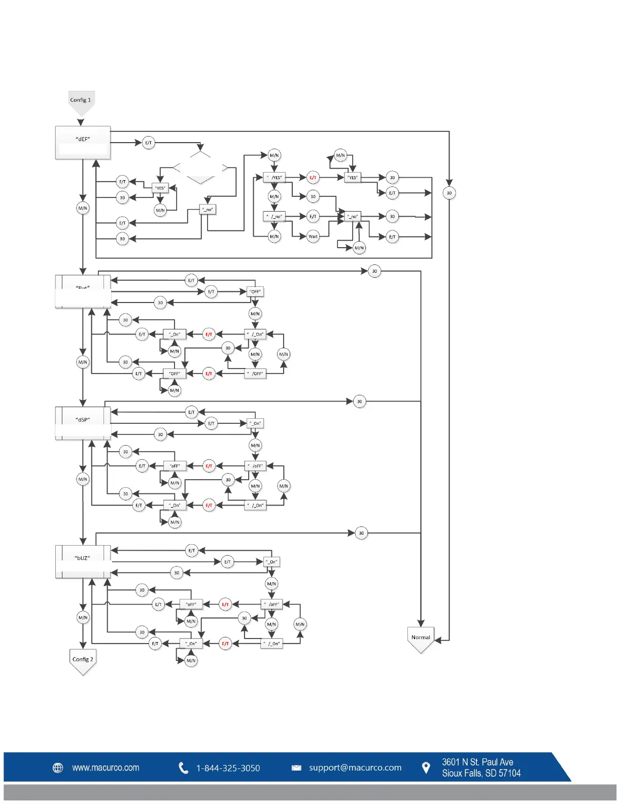
9.3 Menu de configuration « CON »
Par défaut
Valeurs par
défaut?
Test de mise sous-
tension
Mode Affichage
Vérifier la valeur du réglage
indiqué
dans cet exemple, il doit
s’agir de « OFF »
Vérifier la valeur du réglage
indiqué dans cet
exemple, il doit
s’agir de « ON »
Vérifier la valeur du réglage
indiqué dans cet
exemple, il doit
s’agir de « ON »
Mode sonore

Table of Contents

Related product manuals