EasyManua.ls Logo

Macurco CD-6B - Page 122

Macurco CD-6B
130 pages
Print Icon
To Next Page IconTo Next Page
To Next Page IconTo Next Page
To Previous Page IconTo Previous Page
To Previous Page IconTo Previous Page
Loading...
Macurco CD-6B Manual (Rev-1.0) Eng
RÉV 1.0 [34-2900-0510-2 ] 36 | Page
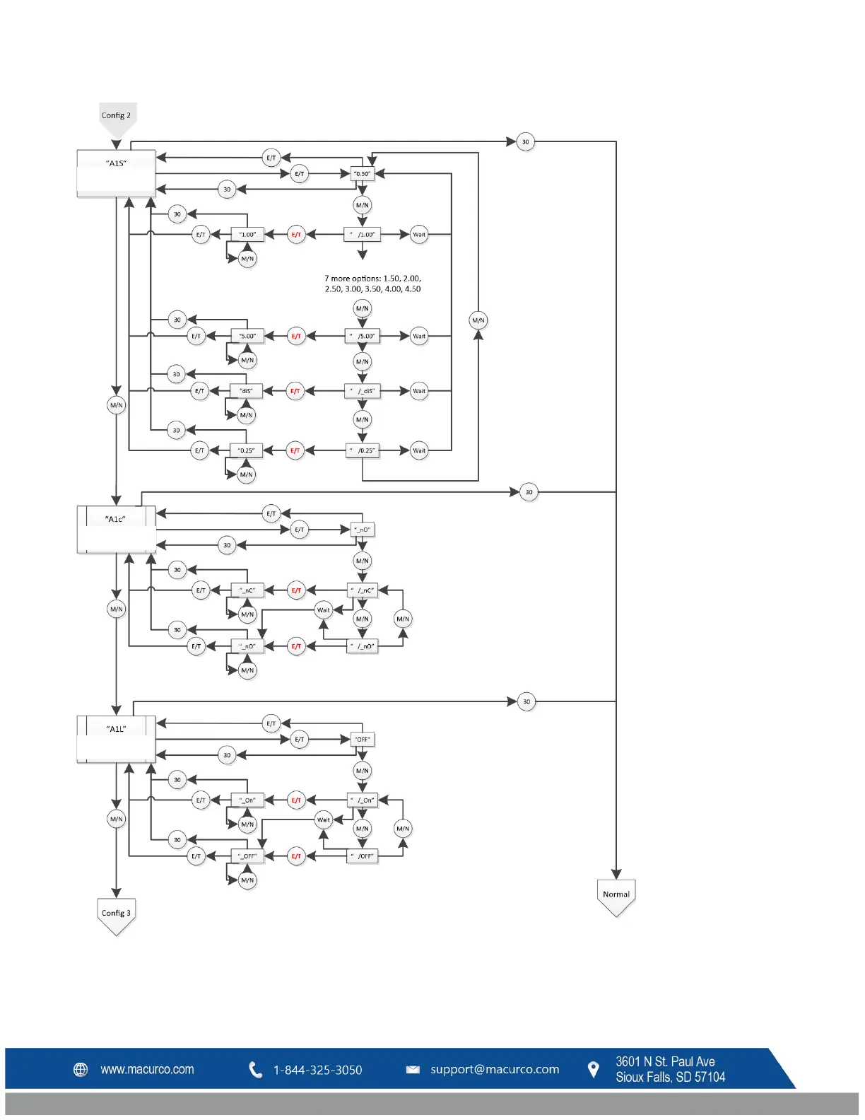
Vérifier la valeur du réglage
indiqué
dans cet exemple, il doit
s’agir de « OFF »
Vérifier la valeur du réglage
indiqué dans cet
exemple, il doit
s’agir de « nO »
Vérifier la valeur du réglage
indiqué dans cet
exemple,
il doit s’agir de « 0.50 »
Réglage du relais
avertisseur 1
Configuration du
relais avertisseur 1
Verrouillage du
relais avertisseur 1

Table of Contents

Related product manuals