EasyManua.ls Logo

Macurco CD-6B - Wiring Connections; Power Connection; Alarm 1 Relay Connection

Macurco CD-6B
130 pages
Print Icon
To Next Page IconTo Next Page
To Next Page IconTo Next Page
To Previous Page IconTo Previous Page
To Previous Page IconTo Previous Page
Loading...
Macurco CD-6B Manual (Rev-1.0) Eng
REV 1.0 [34-2900-0510-2 ] 11 | Page
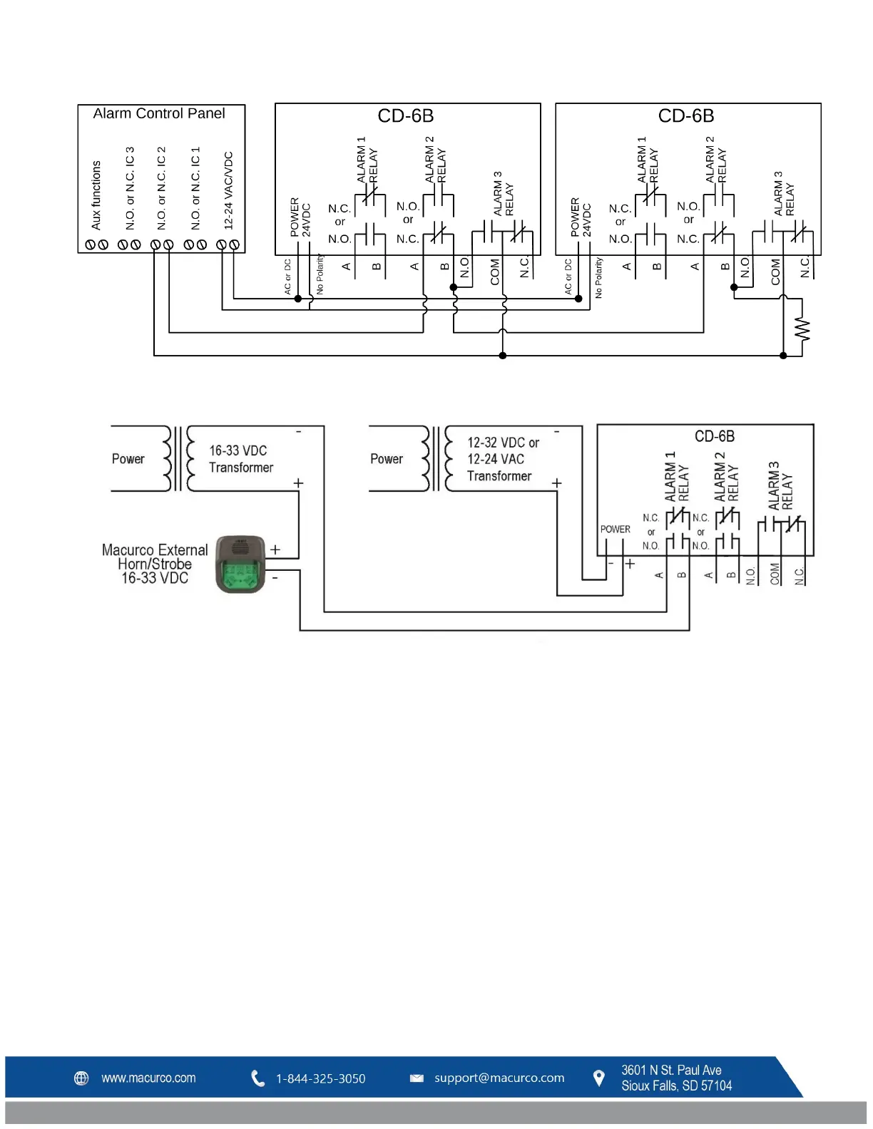
Figure 3-7 CD-6B Alternate Alarm Panel
Figure 3-8 CD-6B Horn & Strobe Combo Wiring
3.3 Wiring Connections
All field wiring is completed via modular connectors (provided) except for the safety ground. Read the following
specific instructions for each connection first. Then, proceed to section 3.3.5 Install the Wiring.
3.3.1 Power Connection
Connect the CD-6B to Class 2 Listed power supply only. It is suggested to use a separate transformer for powering
the unit or units because of possible interferences from other devices on the same power supply. There are two
terminals for Power: 12 to 32 VDC Nominal or 12 to 24 VAC Nominal, with no polarity preference.
3.3.2 Alarm 1 Relay Connection
The Alarm 1 Relay connections (A and B) are available at the modular connector. There is no polarity for these
connections. The Alarm 1 Relay is SPST to switch 2 A load, up to 240 VAC or 30 VDC.

Table of Contents

Related product manuals