EasyManua.ls Logo

Macurco CD-6B - Page 10

Macurco CD-6B
130 pages
Print Icon
To Next Page IconTo Next Page
To Next Page IconTo Next Page
To Previous Page IconTo Previous Page
To Previous Page IconTo Previous Page
Loading...
Macurco CD-6B Manual (Rev-1.0) Eng
REV 1.0 [34-2900-0510-2 ] 10 | Page
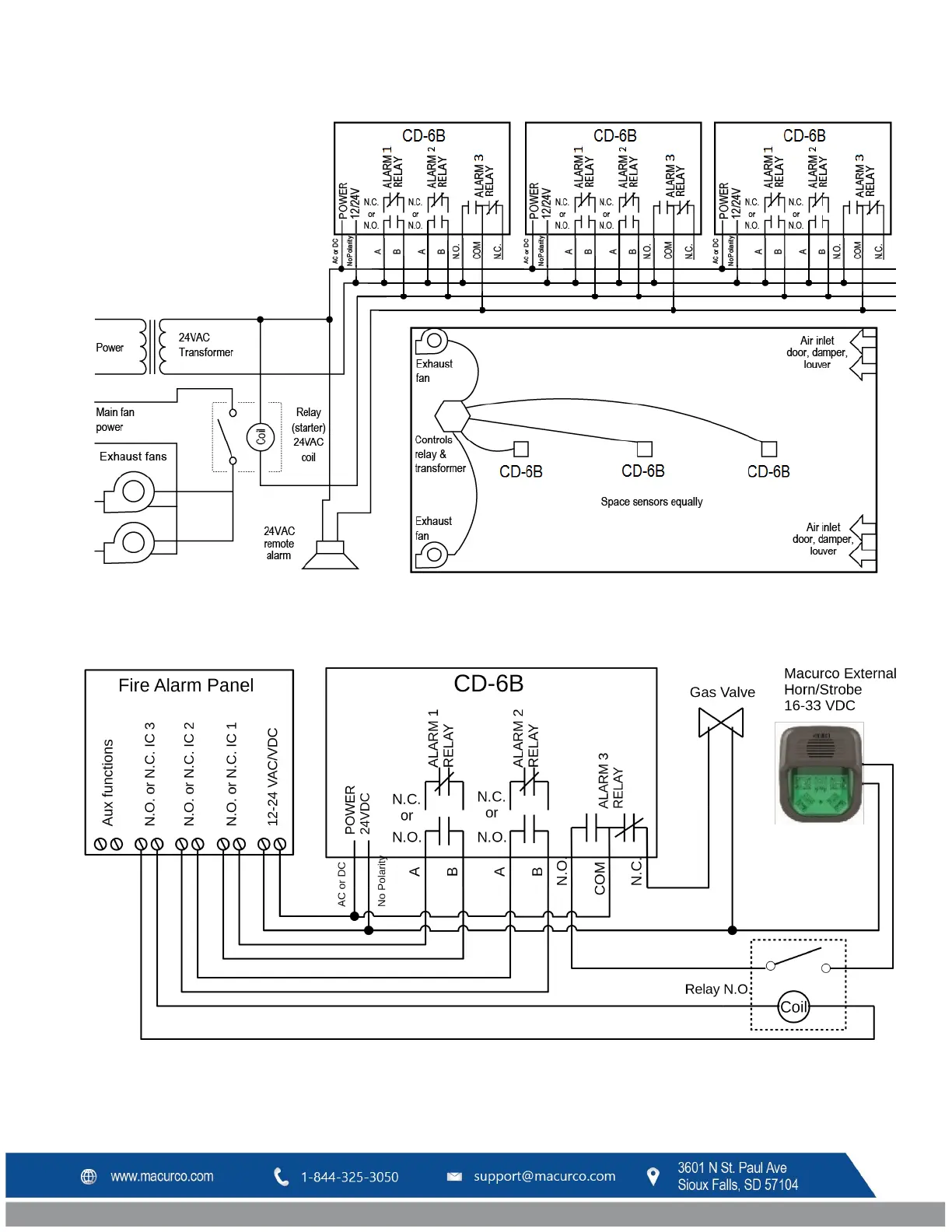
Figure 3-5 CD-6B Multiple Device diagram
Figure 3-6 CD-6B Alarm Control Panel diagram

Table of Contents

Related product manuals