EasyManua.ls Logo

Macurco CD-6B - Page 9

Macurco CD-6B
130 pages
Print Icon
To Next Page IconTo Next Page
To Next Page IconTo Next Page
To Previous Page IconTo Previous Page
To Previous Page IconTo Previous Page
Loading...
Macurco CD-6B Manual (Rev-1.0) Eng
REV 1.0 [34-2900-0510-2 ] 9 | Page
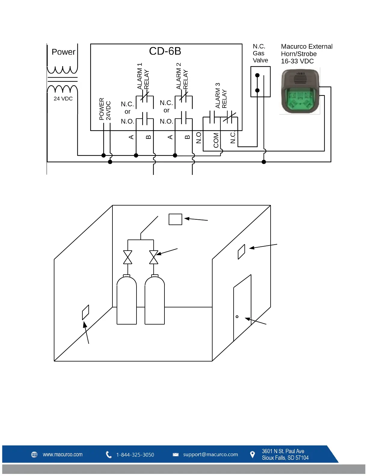
Figure 3-3 CD-6B Typical Installation wiring diagram
Figure 3-4 CD-6B Typical Installation Layout
NOTE: The detector should be mounted as close to the primary leak source as possible. If the tanks are inside, the
detector is typically placed as shown above. If the tanks are outside, the detector is typically placed at the
connection points of the conduit.
CD-6B
Mounted ~12”
above floor
CO2
CO2
Horn/
Strobe
Entrance
Horn/
Strobe
Gas
Valves

Table of Contents

Related product manuals