EasyManua.ls Logo

Macurco CD-6B - Instructions de Câblage; Raccordement de Lalimentation

Macurco CD-6B
130 pages
Print Icon
To Next Page IconTo Next Page
To Next Page IconTo Next Page
To Previous Page IconTo Previous Page
To Previous Page IconTo Previous Page
Loading...
Macurco CD-6B Manual (Rev-1.0) Eng
RÉV 1.0 [34-2900-0510-2 ] 12 | Page
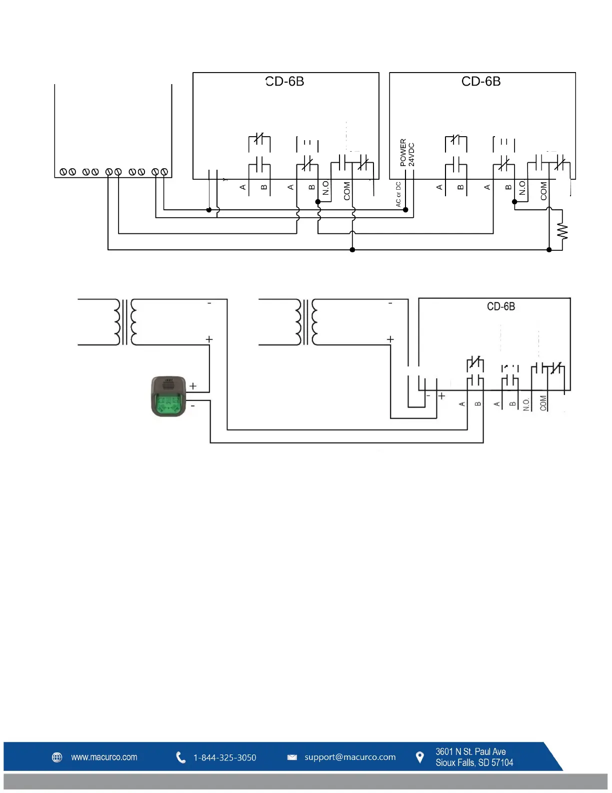
Figure 3-7: Schéma du panneau de commande de l’avertisseur alternatif (CD-6B)
Figure 3-8: Branchements de l’avertisseur sonore/visuel (CD-6B)
3.3 Instructions de câblage
La pose du câblage sur site devra être effectuée par l’intermédiaire de connecteurs modulaires (fournis), à
l’exception de la mise à la terre. Avant de procéder, lire les instructions spécifiques suivantes pour chaque
connexion. Ensuite, poursuivre la lecture avec la section 3.3.5 Réalisation du câblage.
3.3.1 Raccordement de l’alimentation
Raccorder le CD-6B uniquement à une alimentation électrique de classe 2. Il est recommandé d’utiliser un
transformateur séparé pour alimenter le ou les équipements en raison des possibles interférences produites par les
autres appareils raccordés sur la même alimentation électrique. L’alimentation comporte deux bornes: 12-24 VCA
nominale ou 12-32 VCC nominale, sans préférence de polarité.
Fonctions auxiliaires
Circuit de déclenchement
(CDD) 3 N.O. ou N.F.
Circuit de déclenchement
(CDD) 2 N.O. ou N.F.
Circuit de déclenchement
(CDD) 1 N.O. ou N.F.
12-24 V CA/V CC
ALIMENTATION
24 V CC
N.F.
ou
N.O
N.F.
ou
N.O
N.F.
ou
N.O
N.F.
ou
N.O
RELAIS
AVERTISSEUR 1
RELAIS
AVERTISSEUR 1
RELAIS
AVERTISSEUR
3
RELAIS
AVERTISSEUR
3
RELAIS
AVERTISSEUR 2
RELAIS
AVERTISSEUR
2
N.F.
N.F.
N.F.
CA ou CC
Pas de
polarité
ALIMENTATION
ALIMENTATION
16-33 V CC
Transformateur
Transformateur
12
-32 V CC ou
12
-24 VAC
ALIMENTATION
N.F.
ou
N.O
RELAIS
AVERTISSEUR 1
RELAIS
AVERTISSEUR
2
RELAIS
AVERTISSEUR
3
N.F.
ou
N.O
Avertisseur
sonore/visuel
Macurco 16-33 VDC
Pas de polarité
Panneau de commande d'alarme

Table of Contents

Related product manuals