EasyManua.ls Logo

Macurco CD-6B - Page 97

Macurco CD-6B
130 pages
Print Icon
To Next Page IconTo Next Page
To Next Page IconTo Next Page
To Previous Page IconTo Previous Page
To Previous Page IconTo Previous Page
Loading...
Macurco CD-6B Manual (Rev-1.0) Eng
RÉV 1.0 [34-2900-0510-2 ] 11 | Page
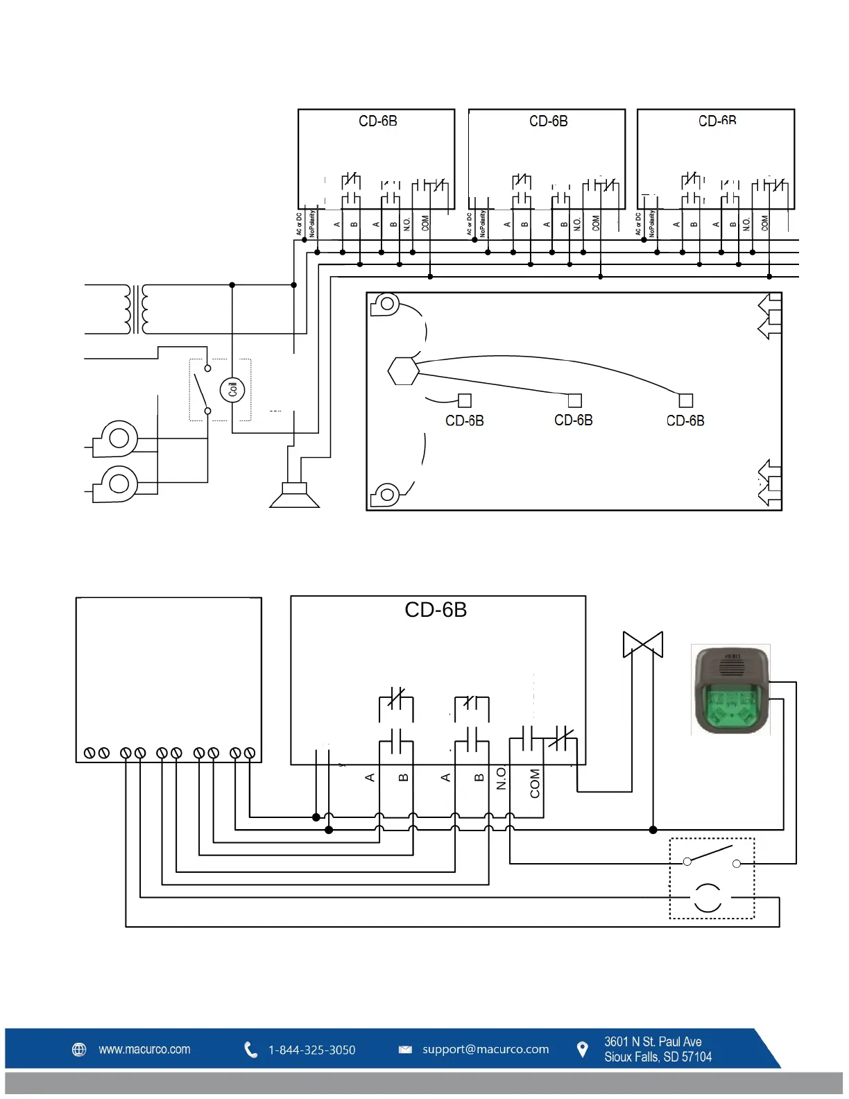
Figure 3-5: Schéma de circuit avec plusieurs appareils (CD-6B)
Figure 3-6: Schéma du panneau de commande de l’avertisseur (CD-6B)
ALIMENTATION
RELAIS
AVERTISSEUR 1
RELAIS
AVERTISSEUR 1
RELAIS
AVERTISSEUR 1
RELAIS
AVERTISSEUR 3
RELAIS
AVERTISSEUR
3
RELAIS
AVERTISSEUR
3
ALIMENTATION
12/24 V
ALIMENTATION
12/24 V
ALIMENTATION
12/24 V
RELAIS
AVERTISSEUR 2
RELAIS
AVERTISSEUR 2
RELAIS
AVERTISSEUR 2
N.F.
ou
N.O
N.F.
ou
N.O
N.F.
ou
N.O
N.F.
ou
N.O
N.F.
ou
N.O
N.F.
ou
N.O
N.F.
N.F.
N.F.
Alimentation
du ventilateur
principal
Dispositif
d’aération
Dispositif
d’aération
Même espace entre les
capteurs
Système de
ventilation
Système de
ventilation
Commandes
(transformat
eur et relais)
Bobine de
relais du
démarreur
24
V AC
Avertisseur
à distance
24 V AC
Vanne de
gaz
Panneau d'alarme incendie
RELAIS
AVERTISSEUR 1
RELAIS
AVERTISSEUR 2
RELAIS
AVERTISSEUR 3
ALIMENTATION
24 V CC
N.F.
ou
N.O
N.F.
ou
N.O
N.F.
CA ou CC
Pas de
polarité
Relais N.O.
Bobine
Circuit de déclenchement
(CDD) 3 N.O. ou N.F.
Circuit de déclenchement
(CDD) 2 N.O. ou
N.F.
Circuit de déclenchement
(CDD) 1 N.O. ou N.F.
Avertisseur
sonore/visuel
Macurco 16-33 VDC
Fonctions
auxiliaires
12-24 V CA/V CC
Transformateur
24 V CA

Table of Contents

Related product manuals