Home
Macurco
Security Sensors
CD-6B
Page 124
Macurco CD-6B - Page 124
130 pages
Manual
Save Page as PDF
To Next Page
To Next Page
To Previous Page
To Previous Page
Loading...
Macurco CD
-
6B Manual (R
e
v
-
1.0) Eng
RÉV
–
1.0
[34
-
2900
-
0510
-
2 ]
38
|
Page
Vérifier la vale
ur du
réglage in
diqué
–
da
ns cet
exemple, il do
it s’
agir de
«
OFF
»
"A2L"
Verrou
illage
du
relais av
ert
isseu
r 2
Réglage d
u re
lais
avertis
seur 3
7 opti
ons supplément
aire
s:
3,50/4,
00
/4,5
0/5,
00/d
IS/0,
25
/0,5
0
123
125
Table of Contents
Main Page
English
2
Table of Contents
2
List of Warnings
4
Use Instructions and Limitations
4
General Safety Information
4
Use for
5
Do NOT Use for
5
Features
6
Specifications
6
Installation and Operating Instructions
7
Location
7
Installation
7
Wiring Connections
11
Power Connection
11
Alarm 1 Relay Connection
11
Power up
12
Awareness Alarm
12
Alarm 2 Relay Connection
12
Install the Wiring
12
Operations
12
Alarm 3 Relay Connection
12
Alarm 1 Relay
13
Alarm 2 Relay
13
Alarm 3 Relay
13
Alarm Behavior
13
Alarm Priority
13
Display Turned "On
13
Relay Latching
14
Display Turned "Off
14
Default - Factory Settings
15
Select Default Configuration - "Def
16
Select Power-Up Test Setting - "Put
16
Select Display Configuration - "Dsp
17
Select Buzzer Configuration - "Buz
17
Select Alarm 1 Relay Setting - "A1S
17
Select Alarm 1 Relay Config - "A1C
18
Select Alarm 1 Relay Latching - "A1L
18
Select Alarm 1 Twa - "A1T
18
Select Alarm 2 Relay Setting - "A2S
19
Select Alarm 2 Relay Configuration - "A2C
19
Select Alarm 2 Relay Latching - "A2L
19
Select Trouble Fan Setting - "Tfs
20
Select Alarm 3 Relay Latching - "A3L
20
Select Alarm 3 Relay Setting - "A3S
20
Select Automatic Background Calibration - "Abc
21
Calibration Period - "CAL
21
Troubleshooting
21
On-Board Diagnostics
21
Trouble Condition
21
T" Error Codes
22
Sensor Poisons
23
End-Of-Life Signal
23
Maintenance
23
Calibration
24
Sensor Life Reset
24
Cleaning
24
Manual Operation Test
25
Operation Test
25
Testing
25
Calibration Kit
26
Gas Testing
27
Testing the Alarm Relays
27
Aerosol Test
28
Field Calibration
28
Field Calibration Procedure
28
Time Since Calibration
29
Appendix A - Table of Figures
30
Appendix B - Menu Structure
31
Main Menu
31
Auto Test "Buz" Menu
32
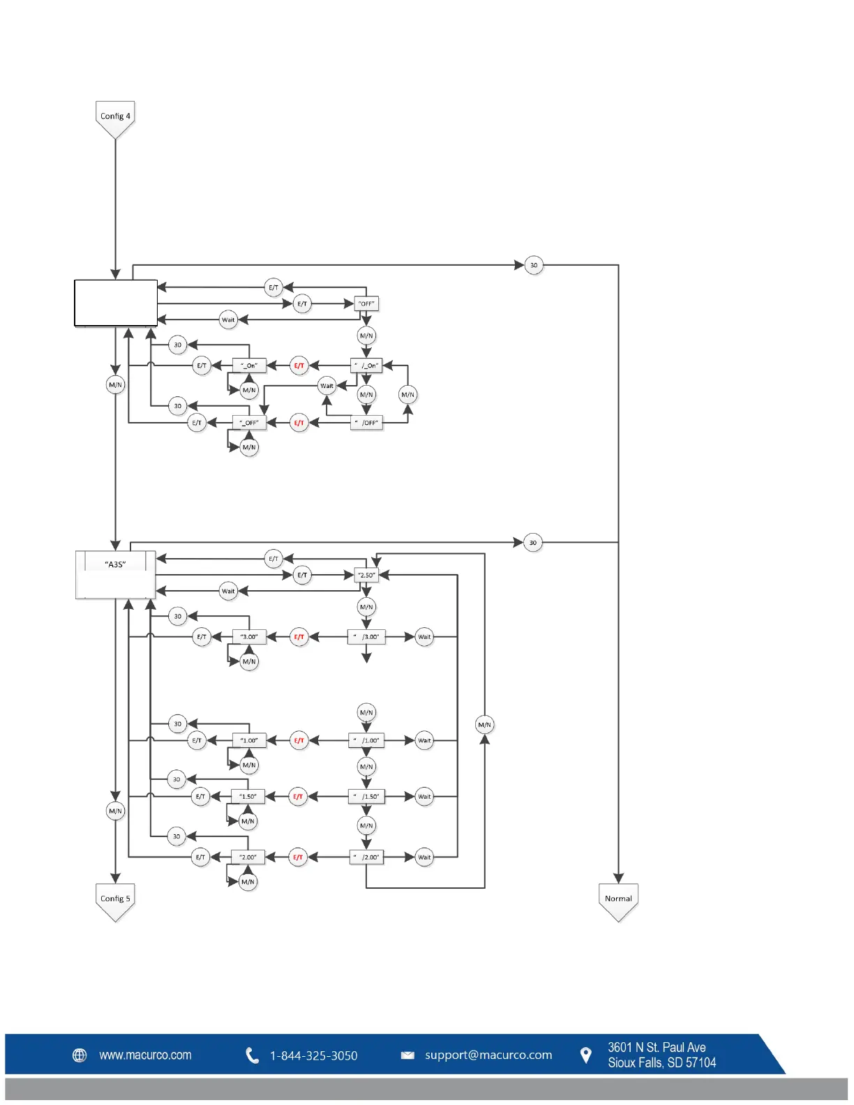
Configuration "CON" Menu
33
Select Test "Tst" Menu
39
Calibration "CAL" Menu
40
Sensor Reset "SEN" Menu
41
Macurco Gas Detection Product Limited Warranty
42
Technical Support Contact Information
42
General Contact Information
42
Español
44
Información General de Seguridad
46
Lista de Advertencias
46
Uso de Los Detectores de CO de Macurco
47
Características
48
Especificaciones
48
Usos no PERMITIDOS de Los Detectores de CO de Macurco
48
Instrucciones de Instalación y Operación
49
Ubicación
49
Instalación
50
Cableado
54
Conexión de la Alimentación
54
Conexión del Relé de Alarma 1
54
Conexión del Relé de Alarma 2
54
Conexión del Relé de Alarma 3
54
Instalación del Cableado
54
Alarma de Advertencia
55
Encendido
55
Operaciones
55
Relé de Alarma 1
55
Comportamiento de la Alarma
56
Prioridad de la Alarma
56
Relé de Alarma 2
56
Relé de Alarma 3
56
Visualización Activada (On)
56
Visualización Desactivada (Off)
57
Ajustes Predefinidos en Fábrica
58
Enclavamiento de Los Relés
58
Selección de la Configuración Predefinida - Opción "Def
59
Selección del Ajuste Prueba en el Encendido - Opción "Put
59
Selección de la Configuración de la Visualización - Opción "Dsp
60
Selección de la Configuración del Zumbador - Opción "Buz
60
Selección del Ajuste del Relé de Alarma 1 - Opción "A1S
60
Selección de la Configuración del Relé de Alarma 1 - Opción "A1C
61
Selección del Enclavamiento del Relé de Alarma 1 - Opción "A1L
61
Selección del Promedio Ponderado en el Tiempo (Twa) de la Alarma 1 - Opción "A1T
61
Selección de la Configuración del Relé de Alarma 2 - Opción "A2C
62
Selección del Ajuste del Relé de Alarma 2 - Opción "A2S
62
Selección del Enclavamiento del Relé de Alarma 2 - Opción "A2L
62
Selección del Ajuste del Relé de Alarma 3 - Opción "A3S
63
Selección del Ajuste Ventilador Ante Condición de Falla - Opción "Tfs
63
Selección del Enclavamiento del Relé de Alarma 3 - Opción "A3L
63
Selección de la Calibración Automática en Segundo Plano - Opción "Abc
64
Selección del Período de Calibración - Opción "CAL
64
Autodiagnóstico
65
Condición de Falla
65
Códigos de Error "T
65
Localización y Solución de Problemas
65
Envenenamiento del Sensor
66
Señal de Fin de Vida Útil
66
Calibración
67
Limpieza
67
Mantenimiento
67
Restablecimiento de la Vida del Sensor
67
Prueba de Operación
68
Pruebas
68
Kit de Calibración
69
Prueba de Operación Manual
69
Prueba de Los Relés de Alarma
71
Pruebas con Gas
71
Procedimiento de Calibración in Situ
72
Prueba con Aerosol
72
Tiempo Transcurrido desde la Última Calibración
73
Anexo a - Tabla de Ilustraciones
74
Anexo B - Estructura del Menú
75
Menú Principal
75
Menú de Prueba Automática "Buz
76
Menú de Configuración "CON
77
Selección del Menú de Prueba "Tst
83
Menú de Calibración "CAL
84
Menú de Restablecimiento del Sensor "SEN
85
Garantía Limitada de Los Productos para Detección de Gas Macurco
86
Información de Contacto con el Servicio de Asistencia Técnica
86
Información de Contacto General
86
Français
88
Informations Générales Relatives À la Sécurité
90
Liste des Avertissements
90
Instructions Et Limites D'utilisation
91
Caractéristiques
92
Interdictions D'utilisation
92
Types D'utilisation
92
Caractéristiques Techniques
93
Emplacement
94
Installation
94
Instructions D'installation Et D'utilisation
94
Instructions de Câblage
98
Raccordement de L'alimentation
98
Branchement du Relais Avertisseur 1
99
Branchement du Relais Avertisseur 2
99
Branchement du Relais Avertisseur 3
99
Fonctionnement
99
Mise Sous-Tension
99
Réalisation du Câblage
99
Alarme de Sensibilisation
100
Relais Avertisseur 1
100
Relais Avertisseur 2
100
Relais Avertisseur 3
100
Affichage Activé
101
Comportement de L'alarme
101
Priorité de L'alarme
101
Affichage Désactivé
102
Paramètres Par Défaut / Réglages D'usine
102
Verrouillage du Relais
102
Sélectionner la Configuration Par Défaut - " Def
103
Sélectionner la Configuration Affichage - " Dsp
104
Sélectionner Le Réglage Essai Sous Tension - " Put
104
Sélectionner la Configuration Avertisseur Sonore - " Buz
105
Sélectionner la Configuration Relais Avertisseur 1 - " A1C
105
Sélectionner Le Réglage Relais Avertisseur 1 - " A1S
105
Sélectionner Le Verrouillage Relais Avertisseur 1 - " A1L
105
Sélectionner la Configuration Relais Avertisseur 2 - " A2C
106
Sélectionner Le Réglage MTT Avertisseur 1 - " A1T
106
Sélectionner Le Réglage Relais Avertisseur 2 - " A2S
106
Sélectionner Le Réglage Relais Avertisseur 3 - " A3S
107
Sélectionner Le Verrouillage Relais Avertisseur 2 - " A2L
107
Sélectionner Le Verrouillage Relais Avertisseur 3 - " A3L
107
Période D'étalonnage - " CAL
108
Sélectionner Le Réglage Ventilateur en Cas de Défaillance - " Tfs
108
Sélectionner Étalonnage Automatisé en Fond - " Abc
108
Codes D'erreur " T
109
Diagnostics Embarqués
109
Défaillance
109
Dépannage
109
Empoisonnement du Capteur
111
Entretien
111
Signal de Fin de Vie
111
Étalonnage
111
Essais
112
Nettoyage
112
Réinitialisation de la Durée de Vie du Capteur
112
Essais
113
Test de Fonctionnement
113
Test de Fonctionnement Manuel
113
Kit de Calibrage
114
Test Au Gaz
115
Test des Relais Avertisseur
115
Procédure D'étalonnage Sur Site
116
Test Avec un Aérosol
116
Étalonnage Sur Site
116
Temps Écoulé Depuis Dernier Étalonnage
117
Annexe B - Structure du Menu
119
Menu Principal
119
Menu D'autotest " Buz
120
Menu de Configuration " con
121
Menu de Sélection de Test " Tst
127
Menu Étalonnage " CAL
128
Menu Réinitialisation du Capteur " SEN
129
Coordonnées
130
Coordonnées du Service Technique
130
Garantie Limitée des Détecteurs de Gaz Macurco
130
Related product manuals
Macurco CX-6
165 pages
Macurco RD-6
63 pages
Macurco OX-6
72 pages