EasyManua.ls Logo

Macurco CD-6B - Page 82

Macurco CD-6B
130 pages
Print Icon
To Next Page IconTo Next Page
To Next Page IconTo Next Page
To Previous Page IconTo Previous Page
To Previous Page IconTo Previous Page
Loading...
Manual del detector Macurco CD-6B (Rev. 1.0) ES-LA
REV.: 1.0 [34-2900-0510-2 ] 40 | Página
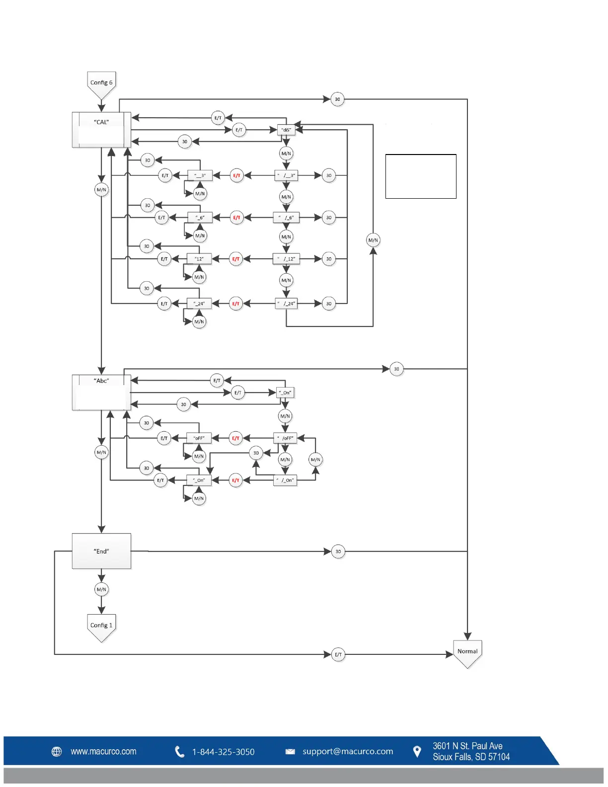
Recordatorio de
calibración
Vaya al ajuste actual diS
(desactivar) en este
ejemplo
OBSERVE que el
recordatorio CAL irá a
"diS" y no se puede
cambiar si Abc está
activado
Vaya al ajuste actual On
en este ejemplo
Calibración
automática en
segundo plano

Table of Contents

Related product manuals