EasyManua.ls Logo

Maggi BORING SYSTEM 23 - Page 52

Default Icon
70 pages
Print Icon
To Next Page IconTo Next Page
To Next Page IconTo Next Page
To Previous Page IconTo Previous Page
To Previous Page IconTo Previous Page
Loading...
MAGGI TECHNOLOGY - BORING SYSTEM 23 - REV00 Pag. 45
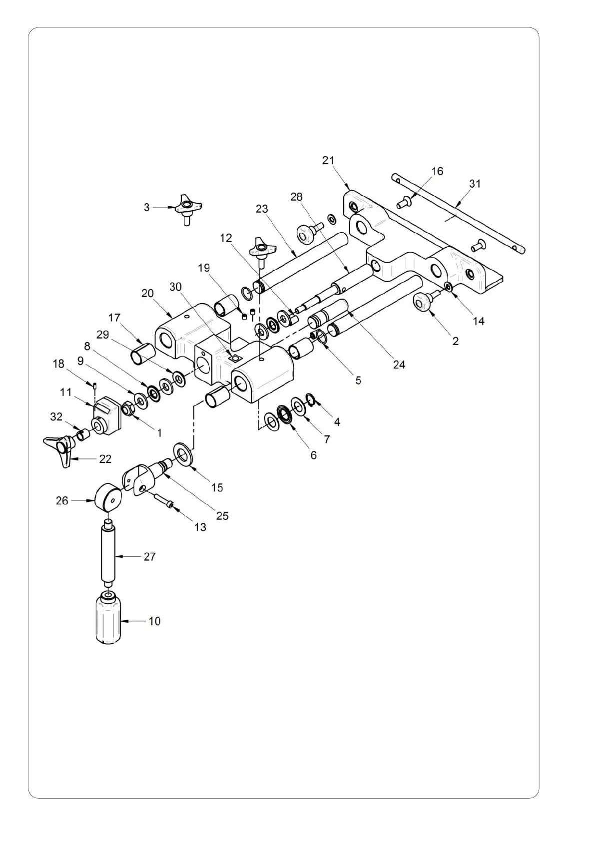
LH SQUARE UNIT

Related product manuals