EasyManua.ls Logo

Malaguti F10 - Page 233

Malaguti F10
272 pages
Print Icon
To Next Page IconTo Next Page
To Next Page IconTo Next Page
To Previous Page IconTo Previous Page
To Previous Page IconTo Previous Page
Loading...
50 6/98
GEHÄUSE UND KURBELWELLEGEHÄUSE UND KURBELWELLE
GEHÄUSE UND KURBELWELLEGEHÄUSE UND KURBELWELLE
GEHÄUSE UND KURBELWELLE
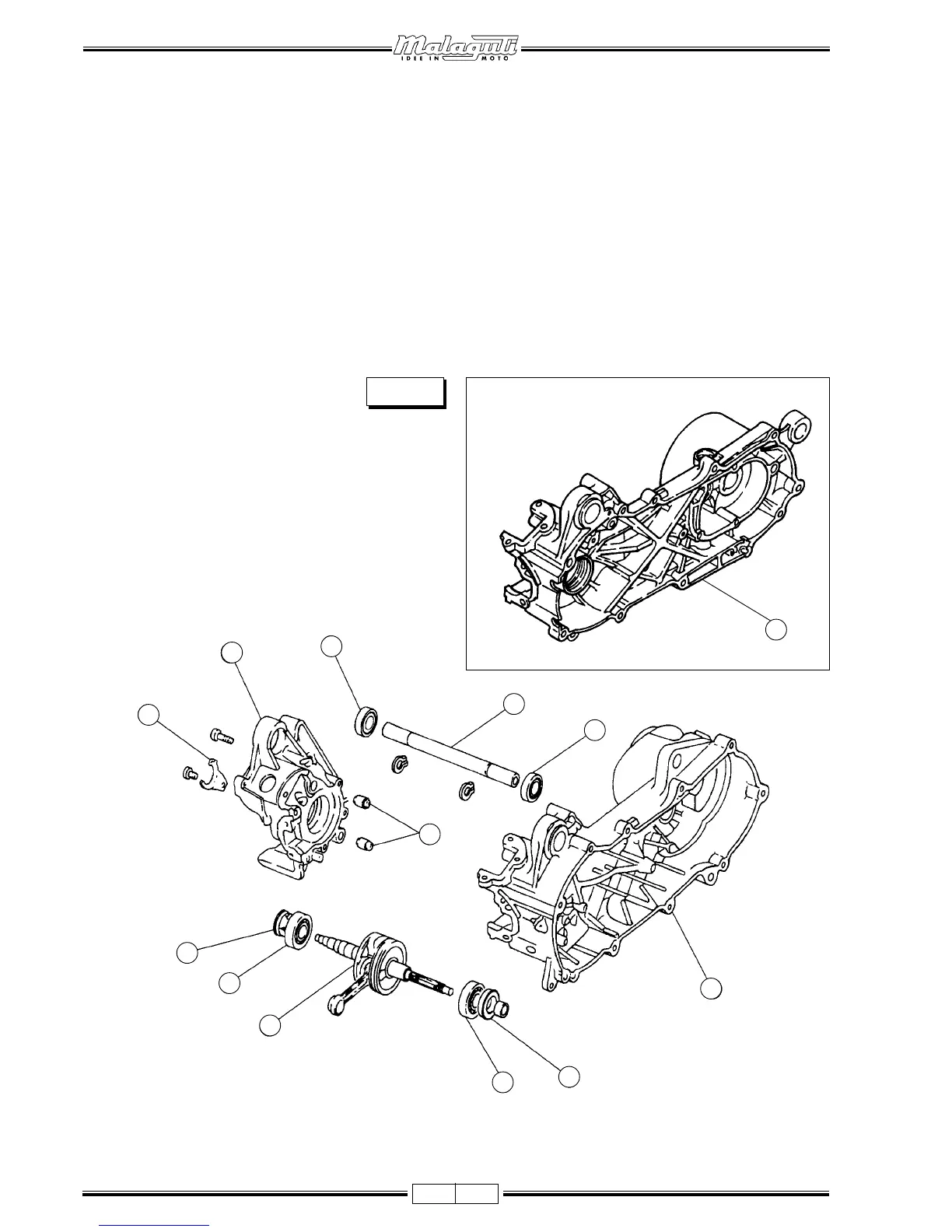
1) Öldichtung
****
****
**
2) Halteplatte Öldichtung
3) (rechtes) Gehäuse
4) Bezugsstift
5) Lagerbuchse
6) Kurbelwelle
7) Lagerbuchse
8) Lagerbuchse
9) Abstandsstück
10) Gehäuse (links)
11) Öldichtung
****
****
**
****
****
**
Neues Teil verwendenNeues Teil verwenden
Neues Teil verwendenNeues Teil verwenden
Neues Teil verwenden
CARTER ED ALBERO A GOMITOCARTER ED ALBERO A GOMITO
CARTER ED ALBERO A GOMITOCARTER ED ALBERO A GOMITO
CARTER ED ALBERO A GOMITO
1) Guarnizione olio
****
****
**
2) Piastrina ritegno para olio
3) Carter (destro)
4) Grano di riferimento
5) Cuscinetto
6) Albero a gomito
7) Cuscinetto
8) Cuscinetto
9) Distanziale
10) Carter (sinistro)
11) Guarnizione olio
****
****
**
****
****
**
Usare un nuovo particolareUsare un nuovo particolare
Usare un nuovo particolareUsare un nuovo particolare
Usare un nuovo particolare
F. 81
22
22
2
33
33
3
44
44
4
55
55
5
99
99
9
55
55
5
1111
1111
11
77
77
7
66
66
6
88
88
8
1010
1010
10
11
11
1
CY 50CY 50
CY 50CY 50
CY 50
1010
1010
10

Table of Contents

Other manuals for Malaguti F10

Related product manuals