EasyManua.ls Logo

Malaguti F10 - WIRING DIAGRAM VERSION 92;93

Malaguti F10
272 pages
Print Icon
To Next Page IconTo Next Page
To Next Page IconTo Next Page
To Previous Page IconTo Previous Page
To Previous Page IconTo Previous Page
Loading...
10 9/98
F 10
Sc. 1
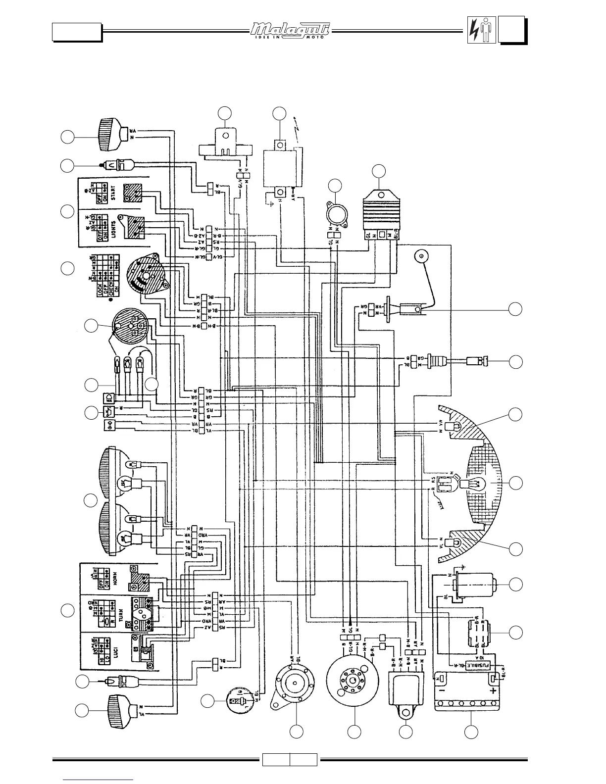
IMPIANTO
ELETTRICO
versione ‘92/’93
ELEKTRO-
ANLAGE
Ausf. ‘92/’93
WIRING
DIAGRAM
version ‘92/’93
CIRCUIT
ELECTRIQUE
variante ‘92/’93
INSTALACIÓN
ELÉCTRICA
versión ‘92/’93
E
12
16
14
11
10
9
8
65
7
4
3
2
1
13
15
17
19
21
22 23 24 25
26
27
28
20
18

Table of Contents

Other manuals for Malaguti F10

Related product manuals