EasyManua.ls Logo

Mandik FDMR - Page 14

Mandik FDMR
101 pages
Print Icon
To Next Page IconTo Next Page
To Next Page IconTo Next Page
To Previous Page IconTo Previous Page
To Previous Page IconTo Previous Page
Loading...
Fire damper - FDMRPage 14 Version 2023-06-15
TPM 140/19
Design .63, 63S
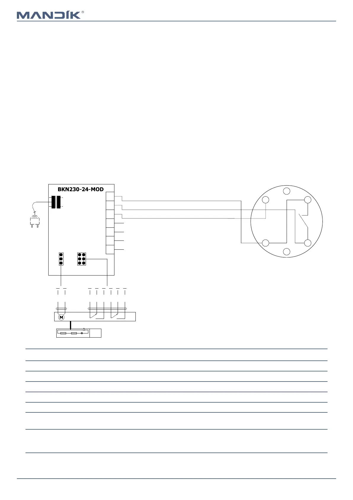
Design with the communication and supply device BKN
230-24-MOD and actuator BF 24-TN-ST (BFL 24-T-ST, BFN
24-T-ST) for communication with control systems using
the Modbus RTU or BACnet MS / TP. Design 63. can be
extended with an optical smoke detector ORS 142 K
(design .63S).
The wiring of the line is to be carried out in accordance
with applicable RS485 regulations.
Parameterization of the communication is done using DIL
switches.
BKN 230-24-MOD can be installed separately, without a
connection to a master control system, in which case the
connection bridge between the terminals 1 and 4 must be
installed.
If the test button on BAT is pressed or if the power supply
(e.g. by a signal from ELECTRICAL FIRE SIGNALISATION ) is
disconnected, the damper blade position will be
"FAILURE".
For design 63S the smoke detector is activated when
smoke spreads in air duct system. Deactivation of the
smoke detector alarm status is provided by interruption
of supply voltage for min. 2s.
The smoke detector is not part of the damper in the case
of dampers in diameters from DN 100 mm to DN 200 mm
(including). The smoke detector is supplied separately.
Communication and supply device BKN 230-24-MOD
Nominal voltage AC 230 V 50/60Hz
Power consumption 3 W (operating position)
Dimensioning 14 VA (including actuator)
Protection Class II
Degree of protection IP 40
Ambient temperature
Non-operating temperature
-20°C … +50°C
-40°C … +80°C
Connection - net
- motor
- terminal board
cable 0,9 m with EURO plug type 26
6-pole connector, 3-pole connector
screw terminals for cable 2x1,5 mm²
Design with communication and supply device BKN 230-24-MOD, with actuator BF 24-TN-ST (BFL 24-T-ST, BFN 24-T-ST) and
smoke detector ORS 142 K
1
2
3
4
5
6
7
2
3
4
5
6
1
1
2 S2
S1
S3
S5S4 S6
BAT
Tf
Tf
LED
External smoke detector, +24 V, max. 50 mA
External smoke detector, control input
GND
BKN Direct Control, override control input
D+
D-
GND

Other manuals for Mandik FDMR

Related product manuals