EasyManua.ls Logo

Manitowoc QuietQube SD0672C - CVD2085 Without PTCR- 1 Phase

Manitowoc QuietQube SD0672C
298 pages
Print Icon
To Next Page IconTo Next Page
To Next Page IconTo Next Page
To Previous Page IconTo Previous Page
To Previous Page IconTo Previous Page
Loading...
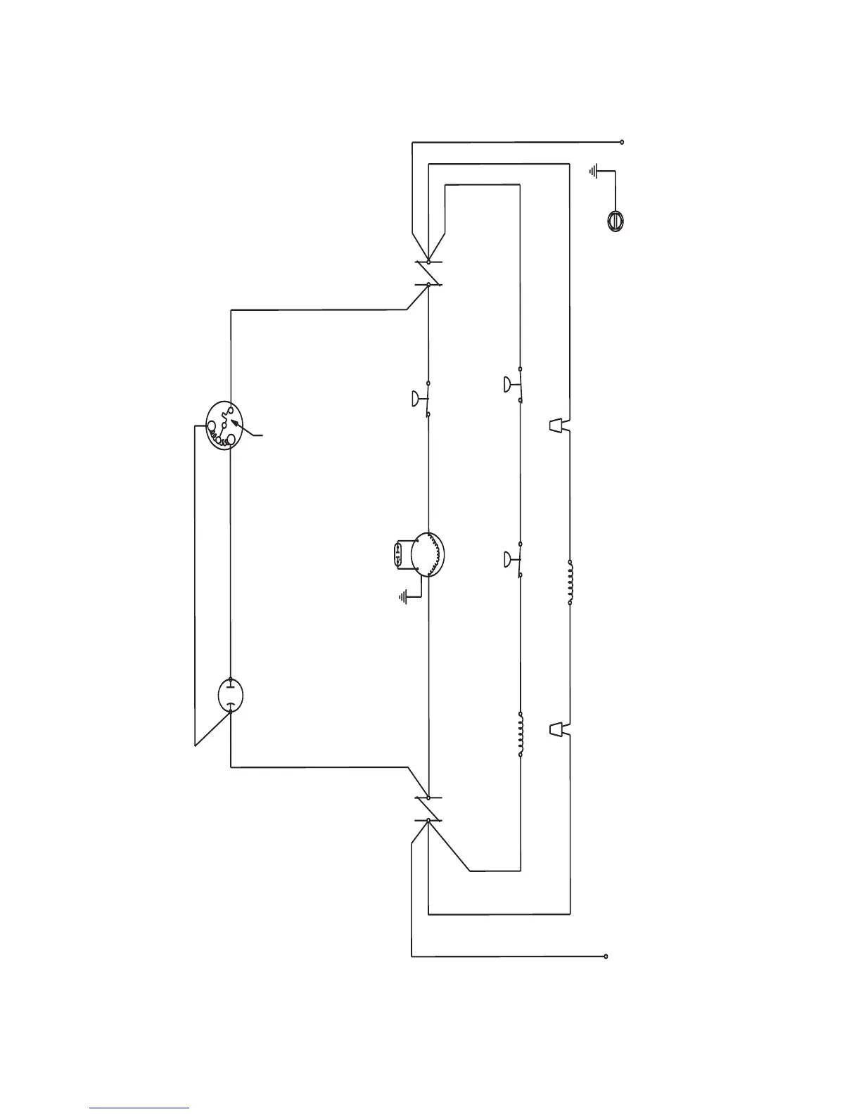
280 Part Number 80-1505-3 6/11
CVD2085 WITHOUT PTCR-
1 PHASE
L1
Ground
See Serial Plate for Voltage
Contactor
Coil
L2 (N)
(95)
(85)
(94)
(49)
(96)
(74)
(50)
(48)
(47)
Low Pressure
Switch
Contactor
Contacts
Fan Cycle Control
Fan Motor
Run Capacitor
Contactor
Contacts
Run Capacitor
R
C
S
R
Compressor
Overload
High Pressure
Cutout
R
COMPRESSOR CRANKCASE
HEATER

Table of Contents

Related product manuals