EasyManua.ls Logo

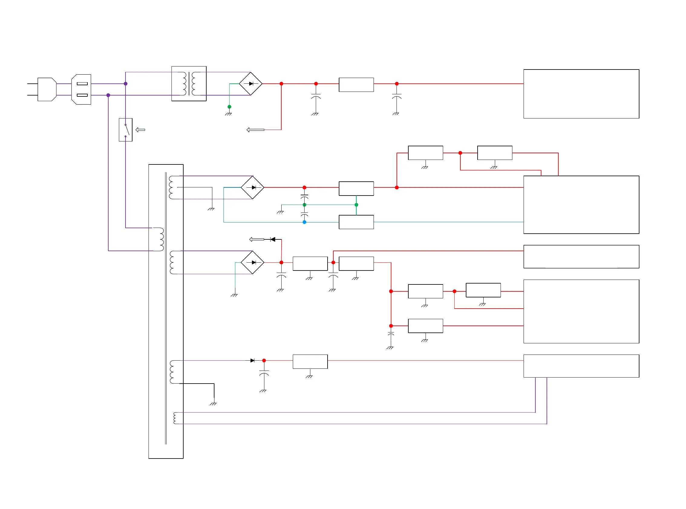
Marantz CD5004 - Power Supply Block Diagram

Marantz CD5004
68 pages
Print Icon
To Next Page IconTo Next Page
To Next Page IconTo Next Page
To Previous Page IconTo Previous Page
To Previous Page IconTo Previous Page
Loading...
34
U-CON (IC21)
IR (RS51)
REMOTE IN/OUT
AUDIO
HEAD PHONE
+5V
+5V
+12V
-12V
CD DSP
PITCH CONTROL
FL
SERVO DRIVE
MECHA DRIVE
MAIN RELAY (RY91)
AC INLET
STANDBY ON/OFF
STANDBY TRANS
(T902)
MAIN TRANS
(T901)
RELAY
(IC76)
(Q902
(IC77)
(IC94)
(IC93)
+3.3V
RELAY
+8V +5V
+3.3V
+1.8V
(IC33)
(IC25)
+1.5V
RELAY
+36V
(IC91)
(IC92)
(Q901)
(FIP1)
(FIP2)
(IC34)
POWER SUPPLY BLOCK DIAGRAM

Other manuals for Marantz CD5004

Related product manuals