EasyManua.ls Logo

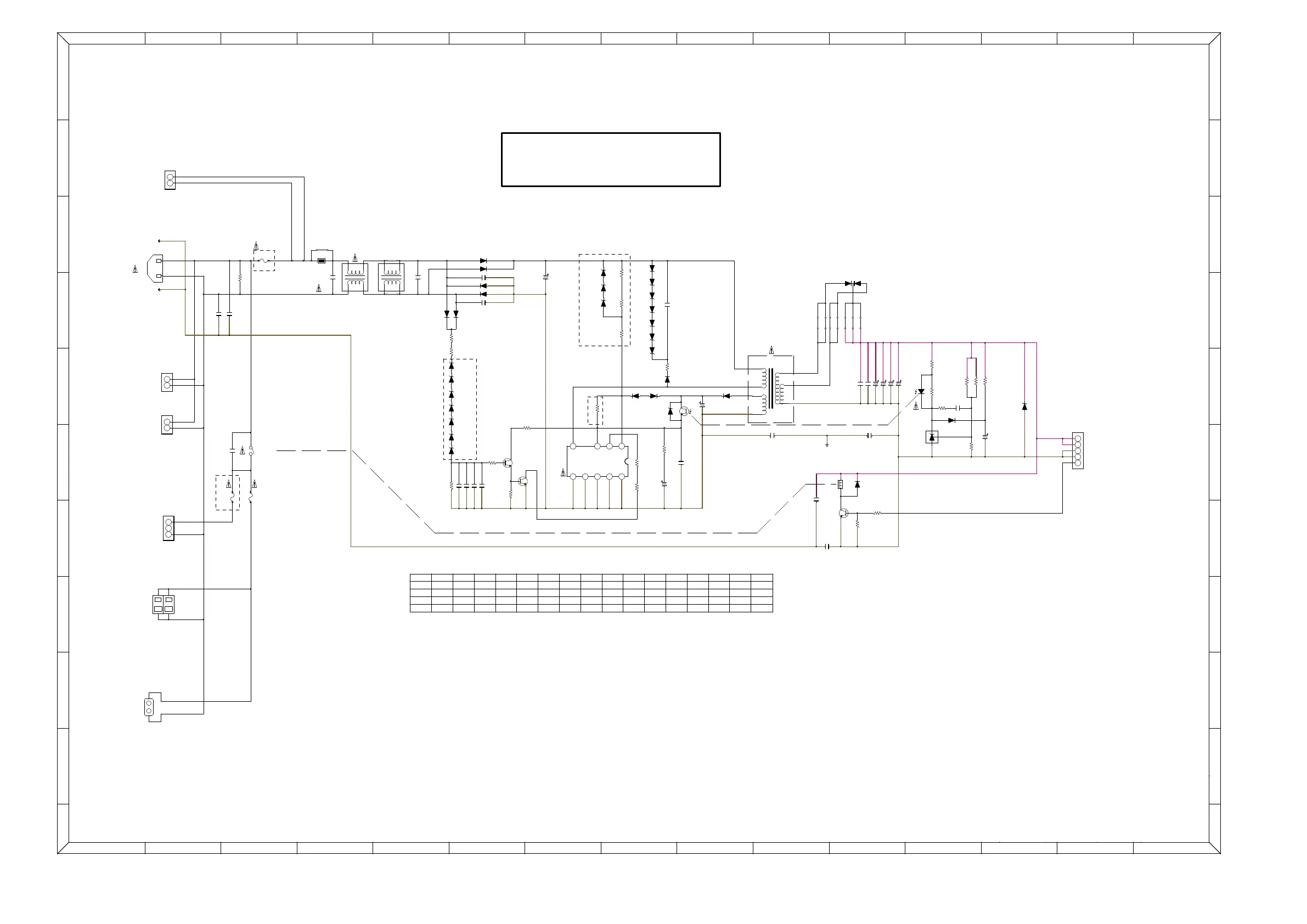
Marantz NR1601 - SCHEMATIC DIAGRAMS (4;24); SMPS BD

Marantz NR1601
146 pages
Print Icon
To Next Page IconTo Next Page
To Next Page IconTo Next Page
To Previous Page IconTo Previous Page
To Previous Page IconTo Previous Page
Loading...
OPTION
C109 -
R108 22K-F
D105 1N4007
D106 1N4007
R114 270K
C103 1N
SHORTJ102
SHORTJ103
SHORTJ105
SHORTJ108
R111 3K3
R112
5K6
C123 100N-K
JK104
OPEN
C100
ECQU2A104ML
J180
JUMPER
C101
-
ZD116
JUMPER
ZD113
JUMPER
ZD110
MTZJ22B
ZD109
MTZ39B
R113
1M
R115
1M
TR100
KTC3199Y
TR101
KTC3199Y
R144
270K
R105
1M
R101
2M2
R104
2M2
ZD103
MTZ39B
ZD105
MTZ39B
C119
47/25_(5*11)
R121
15K
ZD112
MTZJ22B
ZD107
MTZJ22B
ZD117
MTZJ22B
ZD102
MTZJ22B
ZD104
MTZJ22B
C118
100N-K
C124
-
RL101
HL31-1AT-5H
R123 4K7
C111 4700N-K
R107
56
C114
-
R109 -
R110 -
2
live
1
Neutral
JK100
C105
470P
TH100
-
ZD111
JUMPER
ZD108
MTZ39B
ZD119
JUMPER
R125
1M
ZD101
MTZ39B
ZD106
MTZJ22B
R119
6R8
ZD115
MTZ39B
ZD118
MTZJ22B
ZD100
MTZJ22B
PC123Y22
IC101
C112
10UF-M/50V
SHORTJ104
SHORTJ107
BKT101
M3
SHORTJ106
5600/6.3(12.5*35)C106
C107 5600/6.3(12.5*35)
C108 5600/6.3(12.5*35)
R118
6K8-D
ZD114 MTZ5.6B
R100 -
C120 100N-K
C121 100N-K
C122 100N-K
R122 470K
123 54
CX105
370MM/5P
JK103
OPEN
132
CX102
21
CX106
-
21
CX100
BKT100
M3
BKT102
M3
J101 JUMPER
JUMPERJ100
R120
47
D101 1N4007
D102 1N4007
C131
10N
C133
10N
D104 1N4007
D100 1N4007
R126
1K
C115
2N2
D108
AP01C-V1
D109
1N4007
R106
10
TR102
KTC3199Y
R124
10K
D112
1SS133T
IC116
KIA2431AP
C116
100N-K
D111 -
C110 100N-K
IC100
PC123Y22
D103
D25SC6M
C117
10N
C104
470P
21
CX103
-
TV-8
JUMPER
J150
D110
1N4007
C125
-
C113
100N-K
12
4
3
L100
LF4ZBE273H
12
4
3
L101
-
C102
100UF-M/400V
5
6
1
7,8
3
10
11
T100
DBR2560DA
2
X
1
V
3
C
5
D
7
S
8
S
9
S
10
S
6
S
IC102
TOP258MG
F101
F
N
U1
AC INLET
OPTION
MTZJ39B
ZD109
JUMPER
ZD111
ZD113
JUMPER
JUMPER
ZD116 ZD119
MTZJ39B
ZD101 ZD103
2M2(5)
R101
1M(5)
R105
2A
F100
POWER S/W
OPTION TABLE
1M (5)
MTZJ39B
MTZJ39B
JUMPER
MTZJ39B
MTZJ39B
JUMPER JUMPER
OPEN OPEN
MTZJ39B
OPEN
2M2(5)
OPEN
1M(5)
1.6A
2A
F103
F100
MTZJ39B JUMPER JUMPER
MTZJ39B
ZD108 ZD110
MTZJ39B
2M2(5) 270K
ZD105 R104 R114
MAINPOWER
DGND
D5.2V
TO POWER TRANS
CHASSIS GND
RL101
1M (5)
MTZJ39B
MTZJ39B
JUMPERMTZJ39B MTZJ22B MTZJ39B
OPEN OPEN 68 K
MTZJ39B
2M2(5) 270K
DGND
D5.2V
SPK_SMPS 2/2
SMPS B'D
PAGE 19/24
HDMI B'D 8/12_A15
OPTION
OPTION
OPTION
F101
s
6.3A
6.3A
3.15A
10
9
8
6
7
EDCBA HGF
2
3
4
5
FGH
1
ABCDE
4
5
2
3
MNOIJKL
1
LKI
J
MNO
7
6
8
9
10
SCHEMATIC DIAGRAMS (4/24)

Other manuals for Marantz NR1601

Related product manuals