EasyManua.ls Logo

Marantz SR4500 - Video Pcb

Marantz SR4500
84 pages
Print Icon
To Next Page IconTo Next Page
To Next Page IconTo Next Page
To Previous Page IconTo Previous Page
To Previous Page IconTo Previous Page
Loading...
19 20
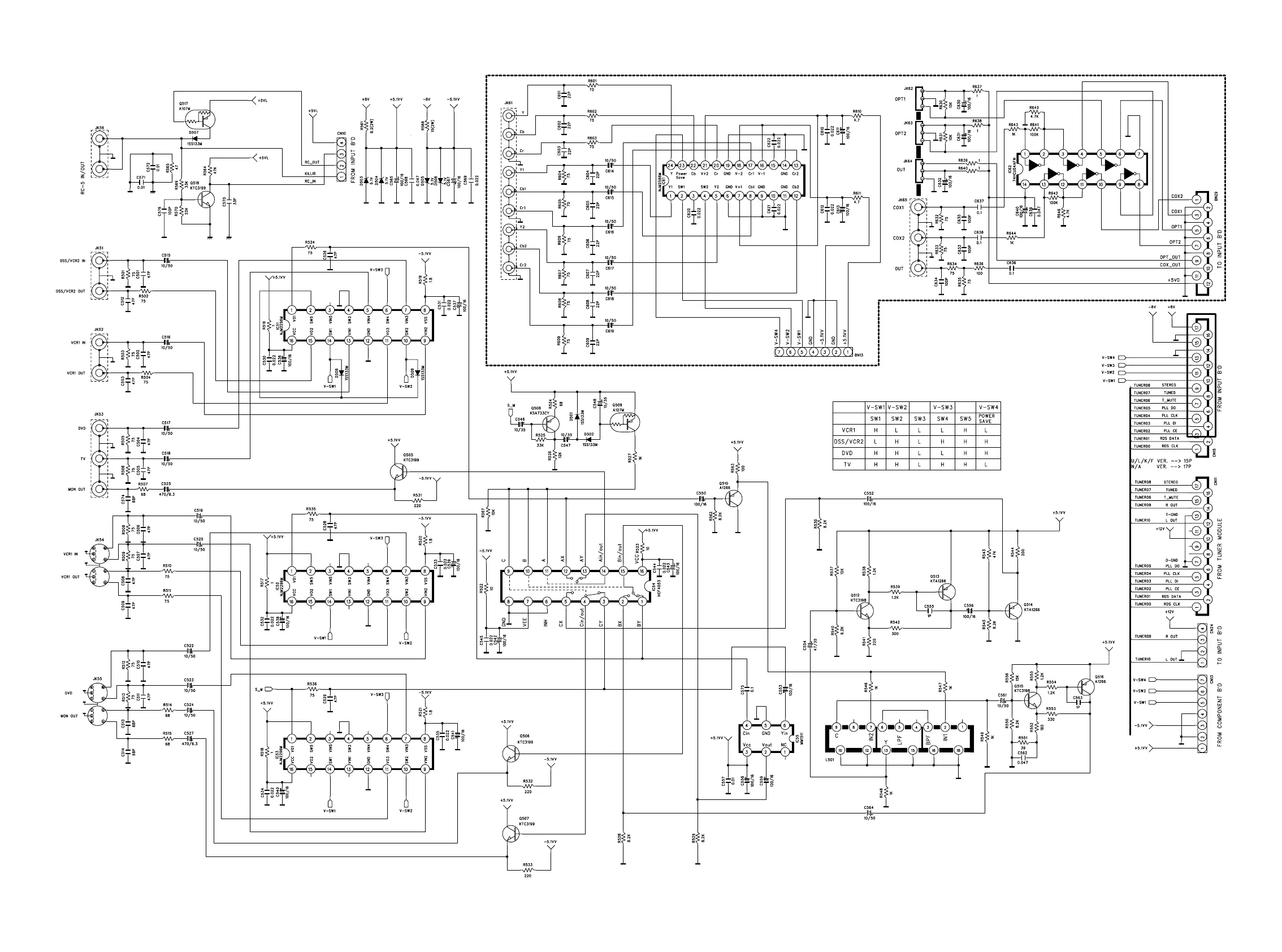
VIDEO PCB
COMPONENT & DIG INPUT PCB

Other manuals for Marantz SR4500

Related product manuals