EasyManua.ls Logo

Marantz SR4500 - Page 17

Marantz SR4500
84 pages
Print Icon
To Next Page IconTo Next Page
To Next Page IconTo Next Page
To Previous Page IconTo Previous Page
To Previous Page IconTo Previous Page
Loading...
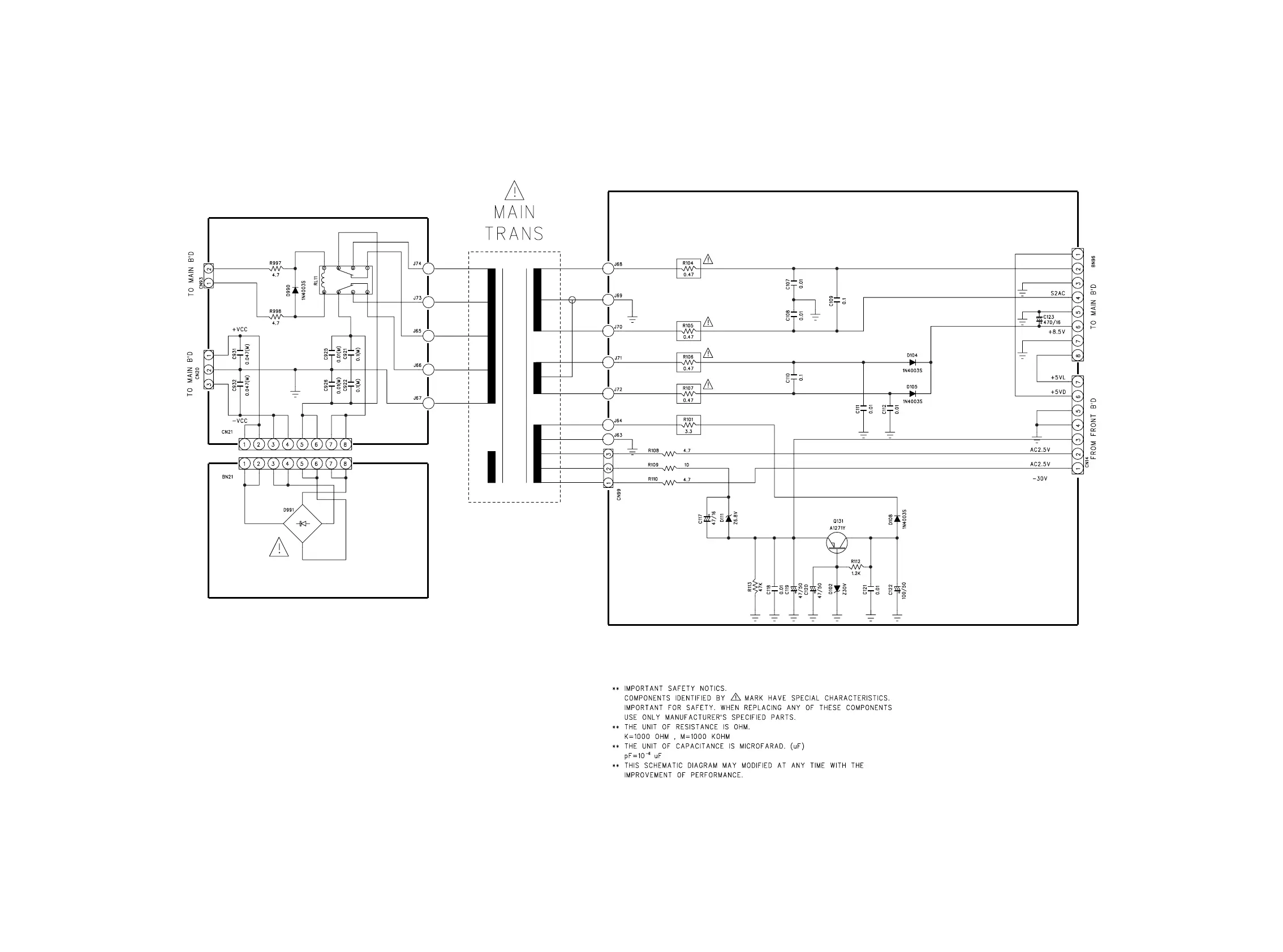
POWER TRANS.-1 PCB
POWER TRANS.-2 PCB
POWER TRANS.-3 PCB
23 24

Other manuals for Marantz SR4500

Related product manuals