EasyManua.ls Logo

Marantz SR5009/U1B - Power Diagram

Marantz SR5009/U1B
195 pages
Print Icon
To Next Page IconTo Next Page
To Next Page IconTo Next Page
To Previous Page IconTo Previous Page
To Previous Page IconTo Previous Page
Loading...
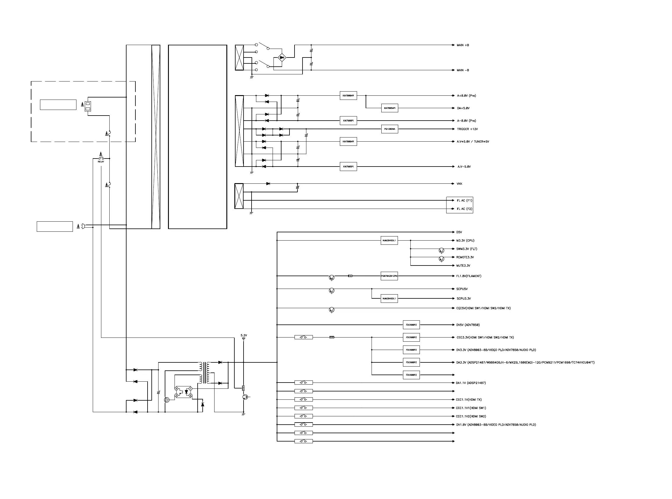
POWER DIAGRAM
MAIN TRANS
S2(+8V,-8V)
S1(AMP +B)
MAIN PWR ON
AC OUTLET
VCC DIAGRAM
AC CORD
NET3.3V(CX870/MFI341S2164)
NET1.2V(CX870)
NET1.8V(CX870:OPEN)
NET1.9V(CX870)
Except SR
101

Table of Contents

Related product manuals