EasyManua.ls Logo

Marantz SR5009/U1B - Page 28

Marantz SR5009/U1B
195 pages
Print Icon
To Next Page IconTo Next Page
To Next Page IconTo Next Page
To Previous Page IconTo Previous Page
To Previous Page IconTo Previous Page
Loading...
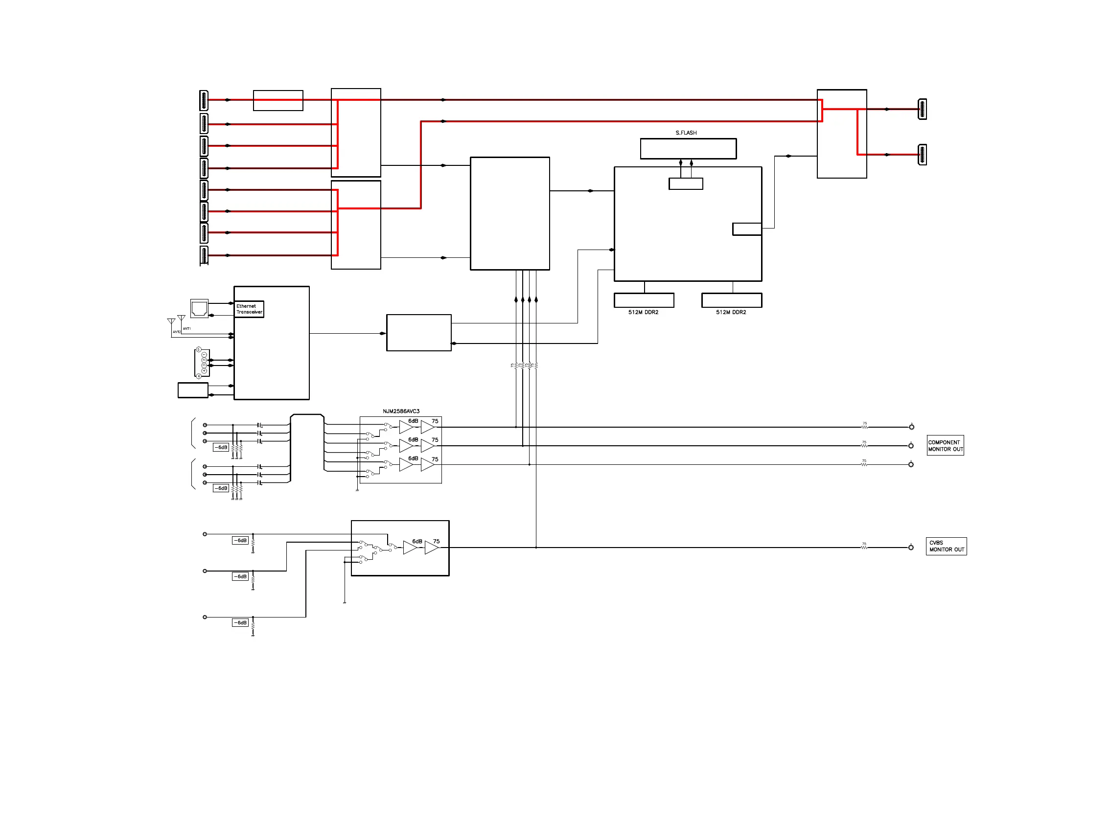
fig.02
Cb
Y
Cb
Y
Cr
Cr
USBD+
TX+/-
RX+/-
COMP1-Y
Cb
Y
IN2
IN2
IN1
USBD-
COMP2-Cr
COMP1-Cr
COMP2-Cb
COMP1-Cb
COMP2-Y
TMDS OUT
OUT
TMDS OUT
Cr
IN1
COMP2-Y
USB FRONT
CVBS3
CVBS2
INPUT SELECT
NJM2595
PCK,8bit Data(VD0~VD7)
TMDS IN
TMDS IN
TMDS IN
24bit Data
24bit Data
TMDS OUTPUT
COMP2-Cr
COMP2-Cb
COMP1-Cr
COMP1-Cb
COMP1-Y
FRONT HDMI
HDMI7
HDMI5
HDMI3
HDMI2
HDMI1
CVBS1
TMDS IN
K4T51163QJ
HDMI i/p Scaler_TX_OSD
(ADV8003-8B)
AD55-058Z-0
OSD
MX25L12845EMI-10G 128M
TMDS OUTPUT
IN3 (V.AUX)
HDMI6
ADV8195
BUFFER
RJ-45
WiFi BT ANT
HDMI4
HDMI2.0
Matix SW
MN8647781
VIDEO PLD
5M80ZT100C5N
HDMI2.0
Matix SW
MN8647781
HDMI Rx
VIDEO DECODER
ADV7850
HDMI2.0
Matix SW
MN8647781
GND
DATA-
VBUS
DATA+
CVBS IN
CX870 MODULE
K4T51163QJ
HDMI IN
HDMI OUT2
HDMI OUT1
COMPONENT IN
BT MODULE
TX+/-
RX+/-
28

Table of Contents

Related product manuals